织梦CMS - 轻松建站从此开始!

haoDIY_音响电子电脑科技DIY小制作发明

当前位置: 主页 > DIY视频 > 音响制作 >

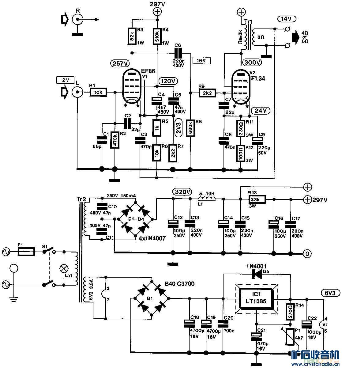
[视频] 电子管胆机EF86+EL34单端播放渡口

时间:2012-09-09 20:59来源:未知 作者:admin 点击:
电子管胆机EF86+EL34单端播放渡口



[视频] 电子管胆机EF86+EL34单端播放渡口

电子管胆机EF86+EL34单端播放渡口 (责任编辑:admin)
织梦二维码生成器
顶一下
(0)
0%
踩一下
(0)
0%
------分隔线----------------------------
发表评论
请自觉遵守互联网相关的政策法规,严禁发布色情、暴力、反动的言论。
评价:
表情:
用户名: 验证码:点击我更换图片
栏目列表
推荐内容