|
家庭行使液化气、煤气作燃料的越来越多,可是这些气体有害、易爆炸,隐患事情多,如气体走漏时不能实时发明和处理赏罚,会给家庭及邻人带来劫难性危害。本文先容的这种瓦斯报警器合用于自然气、煤气、液化石油气等走漏报警。 事变道理
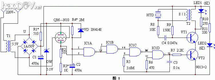
该装置电路事变道理见图1,它是由电源电路、传感器电路、压控振荡器电路及报警电路等构成。220V市电经电源变压器T1降压至5.5V阁下,不消整流、滤波直接作为气敏半导体传感器QM-N10的加热电压。节制电路的供电则是由U全桥整流、C1滤波后供应的。QM-N10气敏半导体传感器在清洁氛围中的阻值约莫有几十kΩ,打仗到有害气体时,电导率增大,电阻值急剧降落,降落幅度与瓦斯浓度在0.5%以下成正比。由与非门IC1A、IC1B组成一个门控电路,IC1C、IC1D构成一个多谐振荡器。当QM-N10气敏传感器未敏感想有害气体时,因为电导率极小,IC1A②脚处于低电位,IC1A的①脚处于高电位,故IC1A的③脚为高电位,经IC1B反相后其④脚为低电位,多谐振荡器不起振,三极管VT2处于截至状态,故报警电路不发声。 一旦QM-N10敏感想有害气体时,其电导率增大,阻值急剧降落,在电阻R2、R3上的压降使IC1A的②脚处于高电位,此时IC1A的③脚变为低电平,经IC1B反相后变为高电平,多谐振荡器起振事变,三极管VT2周期地导通与截至,于是由VT1、T2、C4、HTD等组成的正反馈振荡器间罢事变,发出报警声。与此同时,发光二极管LED1闪烁。从而到达有害气体走漏告警的目标。 QM-N10是一种高迅速度、高不变性的有害气体传感器,其首要技能参数如下: 相应时刻:≤10s 规复时刻:≤60s 加热电压:5V±0.5V 加热功率:≤0.5W(加热丝冷态电阻为50Ω±2Ω) 抗滋扰手段:丁烷报警浓度设在0.3%时在下述前提下不会误报警:温度为-10-+50℃;湿度为≤95%RH。 T1回收3-5W、5.5V电源变压器;T2回收8∶1的半导体收音机输出变压器,倒过来用即可。HTD回收Φ=27mm的压电陶瓷片,要求加装共振助声腔。 因为QM-N10气敏半导体传感器在开机时,约有10分钟的预热期,在这个时刻内易发生不不变身分,导致误报,因此在电路的计划上有一个开机延时电路,它由R4、C2组成,调解R4,使延时时刻在10分钟阁下即可。电阻R2、R3的阻值抉择了电路的报警起控点。将气敏传感器置于浓度为0.3%的丁烷气样中,调解R3的阻值,使电路处于报警临界点即可。最后可实地试验,调解R3至所要求的报警浓度点时报警。 (责任编辑:admin) |















