|
对于智能小车相信很多小朋友们都喜欢,但是买的这种机器人都是非常贵的哦,那就让我们自己动手制作一个吧,过程还是非常简单的哦,下面就跟小白姐姐一起来看看制作过程吧! SO,就决定用NE555来做个寻光壁障的机器人,不是有句话叫,玩转低智能嘛。 首先来个小车的全貌
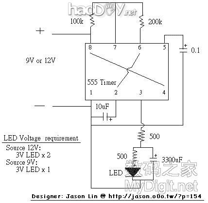
请忽略我背景的杂牌显示器。。。。。小车做出来还是有模有样的。 首先是大脑部分。。。。网上找来的图纸
电机是网上买来的减速电机。 就是这个
电路过于简单了,所以具体步骤就免了。这样小车就可以跑了。 开始用的是4节5号电池,装盒后体积太大,就用了4节镍镉电池供电,就是小车中间黑色绝缘胶布密封的部分。 由于手头上有好多ne555,所以就想让小车更像机器人一点,于是,就装了个呼吸灯。
电路
这个电路其实用4节电池就可以让呼吸灯呼吸了。没有3300uf的电容就找了两个1000uf的并联了,效果还可以。 把呼吸灯和大脑部分并联在一起,用铜柱固定在上方。小车就完成了。 跑起来后会一呼一吸。。。。。。。。。。。。。 在日光下,小车能壁障和向着有光的地方跑。光敏电阻我用了两个红外接收头,效果不错,用遥控器也可以指引小车。
|



















![自制纯手工打造遥控车[周最佳]](/uploads/allimg/130126/1_0126204A1Y30.jpg)












