|
最近买了一把ne555,于是就做了一部可以寻光壁障的小车,看到许多用单片机去做寻光壁障的小车,本钱之高,我这贫民啊。。。。。
SO,就抉择用NE555来做个寻光壁障的呆板人,不是有句话叫,玩转低智能嘛。 起首来个小车的全貌
请忽略我配景的杂牌表现器。。。。。小车做出来照旧有模有样的。 起首是大脑部门。。。。网上找来的图纸
电机是网上买来的减速电机。
就是这个
电途经于简朴了,以是详细步调就免了。这样小车就可以跑了。
开始用的是4节5号电池,装盒后体积太大,就用了4节镍镉电池供电,就是小车中间玄色绝缘胶布密封的部门。
因为手头上有许多几何ne555,以是就想让小车更像呆板人一点,于是,就装了个呼吸灯。
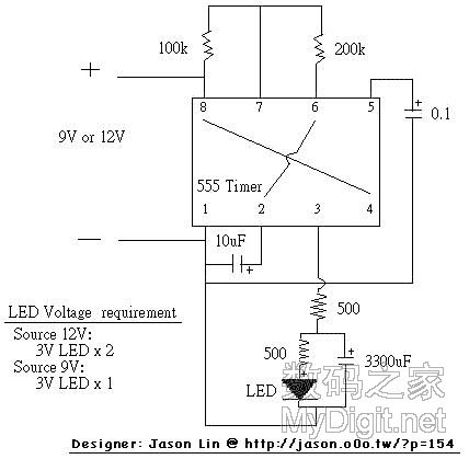
电路
这个电路着适用4节电池就可以让呼吸灯呼吸了。没有3300uf的电容就找了两个1000uf的并联了,结果还可以。 把呼吸灯和大脑部门并联在一路,用铜柱牢靠在上方。小车就完成了。 跑起来后会一呼一吸。。。。。。。。。。。。。 在日光下,小车能壁障和向着有光的处所跑。光敏电阻我用了两个红外吸取头,结果不错,用遥控器也可以指引小车。
(责任编辑:admin) |






















