|
第一个问题,这是个什么东东?
这是个插在USB接口上的小装置,当你的电脑收到消息(比如Pidgin、twitter、电子邮件等)的时候通过一个支持多种颜色的LED灯将这个消息告诉你^_^
比如:你的Pidgin收到了一条消息,灯立刻变成绿色,怎么样?够酷吧!
怎样创造神奇?
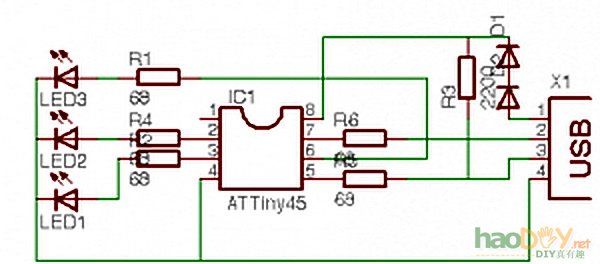
核心部分是一个ATiny45的单片机和SMD 0805贴片,将他们安置在PCB版上,如下图所示
当然,还需要5mm的普通阴极彩色 LED灯和USB插头,完成后就是上面第一幅图的效果了,如果加上一个熔岩灯或者其他的个性灯罩,那么就更酷了。
下面是加工的过程:
(2)贴元件
(3)安装软件和驱动 软件的工作就是控制灯的开关、颜色等。 驱动用的是V-USB 的单片机虚拟硬件USB驱动(这个强大的驱动基于libusb,适合大多数的操作系统比如Win,Mac或者Linux)和一个简单的Python控制脚本 dBird Notifier(用于捕获新收到的消息)达到这个目的。
这两个工具可以从以下地址下载到(适用于linux系统): 软件的安装过程就不说了,可以参考包内的README或HOWTO文件。 一个粗略的原型就出炉了,如果你愿意给它加个外壳,换个更炫的灯,那它看起来就好多了^_^ |














