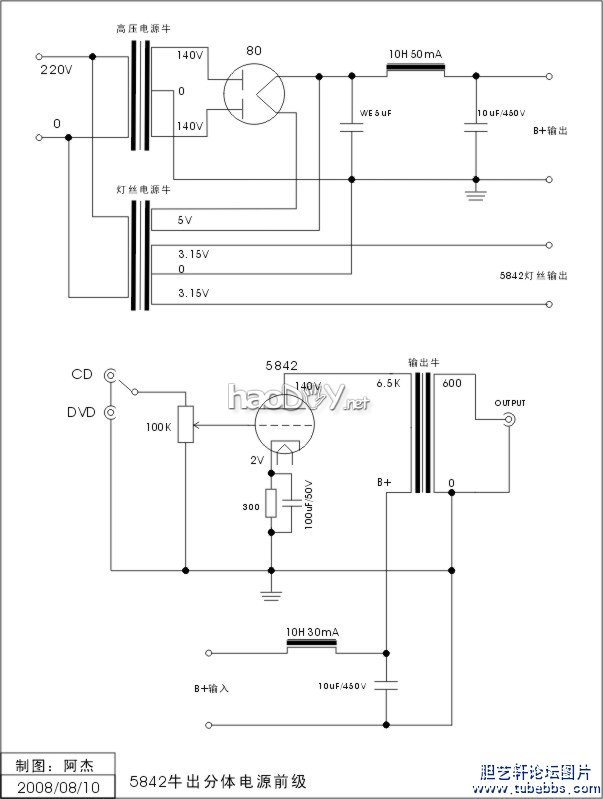
GEC 5842电子管输出牛出分体电源前级的制作(新增线路图)(3) 时间:2013-02-14 12:59 来源:www.tubebbs.com 作者:阿杰 点击:次 DSC_9457.jpg (250.12 KB) 特写二 5842.jpg (96.06 KB) 线路图 (责任编辑:admin) 上一篇:五做6N8P前级 下一篇:美国cary 6SN7电子管胆机前级的制作 共3页: 上一页123下一页