haoDIY创好电子音响电脑科技DIY小制作发明移动版

主页 > 音响DIY > CD解码电唱机 >

USB DAC解码器(TDA1541 )+耳机放大器

因不满足电脑声卡输出的音频信号,早就想自己制作一台USB DAC解码器,解码三大经典芯片 TDA1541、AD1865、PCM63中的TDA1541是公认的人声之皇,而且采用多比特调制方式,所以我就选用的这个芯片来制作,虽然它量化精度为16bit,低于现在常见的24bit的芯片,但现在的音源大部分都是16bit的,因此用16bit的芯片也足够了。
    我做的这个解码器内置了耳机放大器,既可能输出音频信号给音频功放,也可以直接推动耳机,我平时主要使用耳机听音,现在使用的耳机是飞利浦的SHP8000。
    使用效果比我的电脑自带的声卡好多了,主要感觉是信噪比高,声音动态范围大,全频表现比较均衡。期待有更好的耳机试听。
    1、电路简介
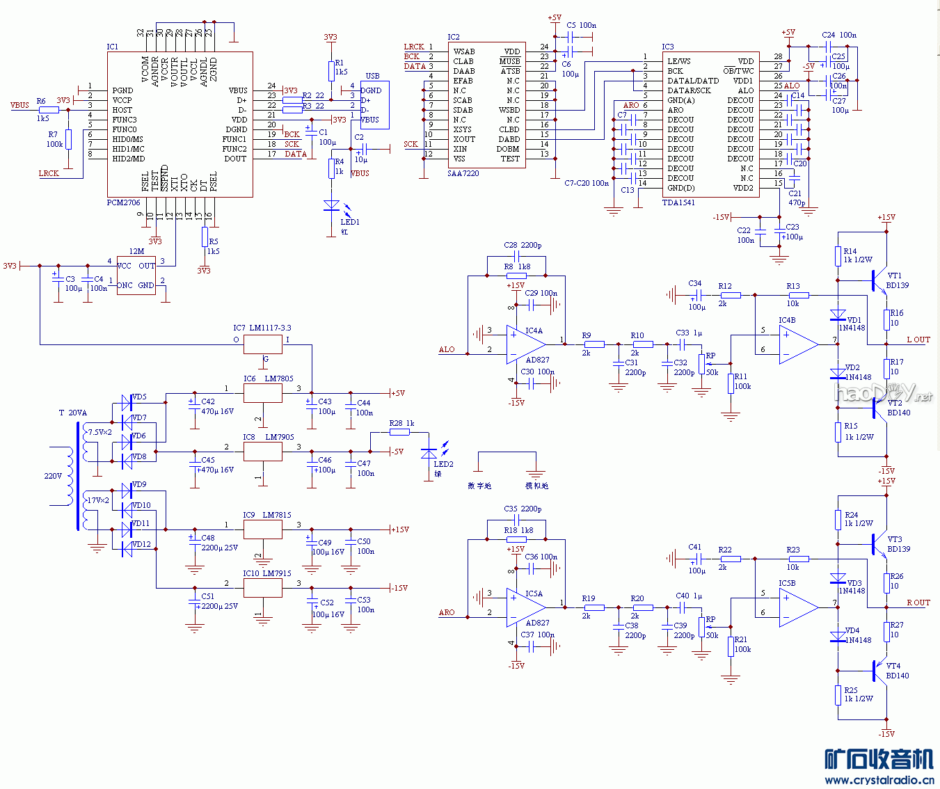
       电路组成:USB解码-PCM2706  +  数字滤波-SAA7220  + DAC解码-TDA1541  + I/V变换-1/2AD827+ 无源滤波+ 耳机驱动-1/2AD827 BD139/140
       电路见下图。

USB DAC解码器(TDA1541 )+耳机放大器 

      PCM2706是USB声卡芯片,是一片全功能芯片,它既可以直接输出立体声音频信号推动耳机(其典型应用见下图),也可输出同轴信号或I2S信号供其它DAC解码电路解码。输出信号的类型由9脚控制,当9脚为高电平时输出同轴信号;当9 脚为低电平时输出I2S信号。我这里是用其输出的I2S,如果用同轴信号,必需用一芯片(如CS4812)将同轴信号转换成I2S信号。
    为了使电路工作更加稳定,使用了12M的有源晶振。

USB DAC解码器(TDA1541 )+耳机放大器 

       SAA7220是和TDA1541配对的数字滤波电路,一开始我采用的是无数字滤波的NOS电路,发现中低频醇厚,但高频表现稍欠佳,后来就加了SAA7220,感觉音质比较平衡。
    由于TDA1541是电流型输出信号,因此输出信号要进行I/V变换,这里用运放作I/V变换电路,以左声道为例,电路由IC4A和R8、C28组成。
    为了方便音量的控制,简化电路,LPF采用了无源滤波电路,由R9、R10、C31、C32等组成,其输出信号由IC4B、BD139、BD140放大后推动耳机或给后级功放提供音频信号。
    电源分了两组:+5V/-5V为数字电路电源,+15V/-15V为模拟电路电源。两个电源都有各自的接地,在各单元电路中两个地要分开,但在电源电路处两个地最终要连在一起,不然信号无法传输。 (责任编辑:admin)
haoDIY创好电子 版权所有,电话微信13977534587