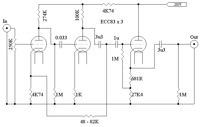
再造Marantz(马兰士)7 高电平胆前级 时间:2012-10-13 20:58 来源:未知 作者:admin 点击:次 原装机: 原版线路图: (责任编辑:admin) 上一篇:用6F2打造电子管胆前级 下一篇:diy Marantz(马兰士)7 带MM、MC唱头唱放一体化胆前级