一.改100KΩ 音量电位器为20KΩ
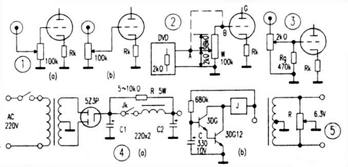
目前,大多数胆机都采用图1所示的100K音量电位器,而LD、VCD、CD、DVD、卡座、收音头等的输出阻抗均没计为2K左右。虽然说这些低阻抗音源与电子管功放高输入阻抗在匹配上毫无问题,但从实际应用中存在以下两个问题。
以图1(a)为例,绘出音源与胆功放音量控制原理 如图2所示,当W1由低端逐渐开大音量至2KΩ,此时DVD输出功率达到最大。此时,电子管电压放大级输入端所获得的音频信号,经98KΩ的压降后到达栅极,只从音源的输入端获得不足2%的功率(电于管G的输入阻抗≥98K)。这可能是目前胆机功放爆爆发力不及石机功放的原因之一。随着音量电位器的逐渐开大, 可以从音源获得较大或最大功率。但一开启音量电位器便输出大音量,使音量失控。解决的措施是,改 100K电位器为图3所示2K;实践证明,音量控制平稳,其步幅与音量的增减同步,而爆发力完全可以与 石机相比美,整机信噪比也能达到改善。
二.电子管整流元件的保护措施
电子管整流电路如图4(a)所示,从图中(JK虚线部分连通)可以看出,为了降低整流电源的滤波系数。目前整流滤波电容 C1,C2都采用了大容量的电解电容,由于电容的瞬态特性,即一开启电源开关在 C1、C2初充电时期,整流管5Z3P会因过流而管内跳火,甚至损坏。
解决的方法是给电于管整流元件加装高压延时电路(见图4b),当接通市电后,C1、C2初充电是由R限流充电,经延时电路60s的初充电后,J才动作使JK闭合,从而抑制了由C1、C2初充电时期的大电流而保护了5Z3P。图4a中的R 应采用金膜或线绕电阻,J采用DC6V 继电器,+6V电源可将6.3V灯丝电源整流后获得。
三.灯丝50Hz干扰问题
灯丝50Hz干扰一直影响着胆功放的信噪比。在厂家生产中曾采用了如图5所示的灯丝线圈中心抽头平衡接地或电阻平衡接地的方法加以抑制。作为焊机派实感费劳伤神,而且效果还不大理想。
行之有效的方法是,先将胆功放的末级功放管拨去,然 后将市电开关接通。用万用表 10V交流挡,一支表笔接市电零线,另一支表笔接胆功放机 壳。将胆功放市电交流插头调换一下插接方向,找到50Hz干扰电压最小的插接方式,并将市电插头接火线的一端固定下来。然后再插入末级功放 管,将6.3V灯丝电源的两端分别接地,监听喇叭中50Hz哼声(也可以用数字表监测), 找判其哼声最小的灯丝电源的一端为实际接地端焊牢。实践证明,这步做到后,耳朵贴近喇叭也听不到50Hz噪音,大大提高了胆机的信噪比。
四.耦合电容容量选择简法
胆机音色甜润,特别是低音的弹性是任何一种超 重低音部不可比美的,在负反馈调整固定后胆功放低 音弹性取决于耦合电容的容量。实践证明,拽一张具有纯鼓乐的CD碟,调整耦合电容的大小,使击鼓后由大到小清晰的鼓声显出颤震音为宜。

(责任编辑:admin) |