笔者在本文分析装好Marantz 7前级的一些要点和指出每一处应采用哪一种牌子的零件及线路布局等。Marantz 7电原理图见附图。
Power Supply的外壳,我选用了铝壳为材料,外壳下放了3只Sound Mechanics的半圆柱形脚(3只每只需20元,放在除了扬声器外的器材下,Ensemble钉放在扬声器下合适,不能放在器材下,则金属声太重)。电源线是XLO紫色的Reference线。 电源变压器是Load牌英国环形变压器,高压全波270V,低压有5V及6.3V各一组。用了此变压器,中高音很靓,也很有音乐感。有5V的一组更方便用电子管整流。
制作
交流电(高压组)从变压器出采后,就经一只Mazda 5Y3GB电子管作整流。笔者比较过Mazda、Mullard及RCA的电子管整流,发觉RCA低频潜得较低,但有点粗;Mullard比较平均,但不够/顷滑及细腻;Mazda则给人一种很舒服的感觉,所以就选了它。
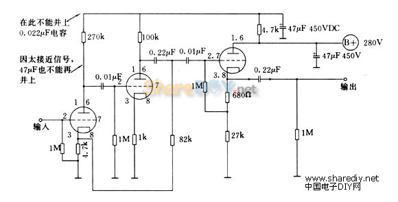
过了整流电子管以后,就有一只300UF450V的Mallory Type HES的大电容,在此请并上4只Wima 0.022UF 630V的电容。接着经过一个5H的环形扼流圈,同是英国制的。
之后,就有两只Mallory,每只有两组100μF500V的电容(Type FP),即一共有400μF,在这400μF的大电容阵上,请加上4只0.022μF电容。
稳压器方面,我用了Croft的稳压器,无奈Croft不愿我公开发表其设计的稳压器;读者只好用Audiotronics的电子管稳压线路了,效果也相当好。过了电子管稳压后,再经两只Mallory大电容(同上述每只两组100μF 500V),在此处,千万不要再加0.022μF的小电容。越过主放大器,并上bY—pass会减少高频的。从线路图可见,第一及二级放大后的信号只需分别经过270k及100k便到那4.7k,再到B+。若再乱并0.022μF,高频就会经过这些电阻及电容人地。
此外,还有一点值得一提,就是那只4.7k的高压电阻,必须左右声道各用一只,这可增加隔离度和立体感,音场也宽一些。笔者知道有不少装Marantz 7的朋友用一只4.7k同时供电给左右声道,左右声频互通机会大了。
灯丝供电方面,由于笔者用的变压器只有一组6.3V,所以只能把12AX7的4、5脚一起接地,而第9只脚就连接6.3V;本人用了直流灯丝供电,巧合之下(因用了太多电子管)直流本来由整流后的8.9V下降55 6.4V,所以不需另加稳压。
整流后,只用了一只Mallory 3800μF作滤波。各位朋友可能觉得此数值太小,有杂音。只要你把真空管的4、5脚接地,而9脚接6.3V;而不是4、5脚接6.3V,9脚接地便不会有杂音。电容加到10000μF 会使声音发紧,用3800p-F得出来的人声既自然,又舒服。 分体式的供电器输出的直流经一条有shield的Belden线接主放大器,这shield当然连接powersupply内的接地线,在powersupply内,用了粗铜线把所有回路带到接地点,接地点就是环形变压器的螺丝处,接地点越靠近电源变压器越好。
主放大器
外壳用了铝壳(外表很似Conver-gent),很遗憾未能买铜壳,而且未能固定音量 ,掣。音量掣只好装在面板。信号线全用Kimber纯银(没有shield,但收不到RF或杂音), 电容全用Rel-Cap, 第一级交连用teflon,其他全部用RTX。笔者最近发现用电容来校声,除了用不同材料和不同牌子电容外,还有电容的耐压值, 同样是Rel-Cap的0.22UF RTX,耐压600V和400V在音色上有很大分别。在本机中,笔者全用600V的。
电阻全用RMA,既然现 在已校好声,请勿多心了。音量掣则用了瑞士步进式加_k Holco电阻。
线路布局的安排方面,笔者校好声后,已把所有电子管由Sovtek换为Telefunken,立即听了许多东西。此外,不要用电子管罩。有一点不要忘记:所有零件请用epoxy固定。
这是一部有分析力和有动态的Marantz 7,是现代化的机器,已脱离了古董机,没有高低的个性,和“保真度”这三个字可扯上关系。但没有失去中和中高纯美的特性。
其实,只要靠以上方法去装机,不需改线路、改反馈和改交连数值也可使一个古董线路出现代之声。最可贵的,是它的像真度。它已不只是能出甜美中音的Marantz 7,它是我校出来之Marantz 7。
原装机:

原版线路图:

(责任编辑:admin) |