haoDIY创好电子音响电脑科技DIY小制作发明移动版

主页 > 音响DIY > 胆机DIY > 前级DIY >

情有独钟---Marantz马兰士7 胆前级

我们当地的一位胆机烧友-郑大哥的作品,马兰士7线路,给朋友做了有6、7台了。听过其中的2台,这台声音是最满意的一台,音色上比较讨好人,高低频欠奉,但是奚秀兰声音的韵味不错。上图留个纪念。
高压滤波用了4只1200微法专业级闪光灯上的日立电解,比较吓人啊。信噪比很高。
情有独钟---Marantz马兰士7 胆前级
情有独钟---Marantz马兰士7 胆前级

原装机:
情有独钟---Marantz马兰士7 胆前级

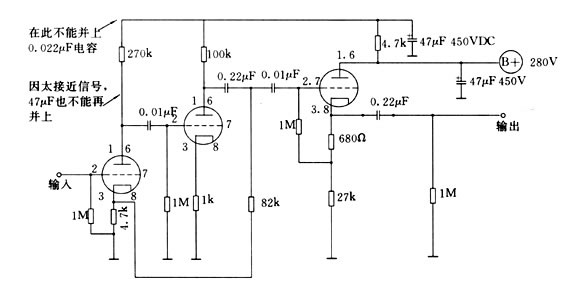
原版线路图:
 
情有独钟---Marantz马兰士7 胆前级
(责任编辑:admin)
    haoDIY创好电子 版权所有,电话微信13977534587