| 制作一部靓声的胆机有四大要素,首先要用好声的线路,再就是好声的元件,三是精良的制作工艺,四是高超的校声技术。经典的商品胆机,线路都较复杂.且有的用了特制的元件和自行研制的变压器,仿制起来难度较大。 近年来国产电子管不断有发烧级的精品问世,如2A3、300B、274B、845等,为制作靓声胆机创造了物质基础。笔者介绍一款用2A3或300B作输出的胆机功放,尽管输出功率只有几瓦,但作为家用Hi-Fi放音器材已有足够的声压,由于输入级采用一般胆机鲜见使用的差分式放大电路,因此信噪比较高.音色清澈、优美,再加上单端输出机韵味浓烈,音乐表现扣人心弦,很值得一听。
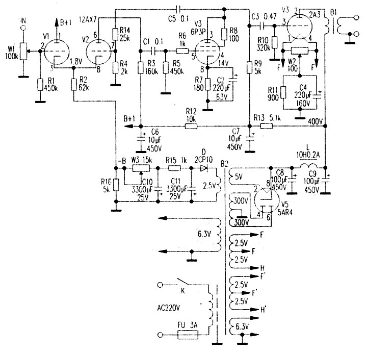
 线路见附图,输入电压放大级是由Vl、V2组成的差分式放大电路,此电路的性能十分优越,某款国产胆前级放大器就是用此电路作电压放大.在国际音响大展上获得大奖。由于Vl、V2两管工作在对称状态,在温度变化、电源波动,外界干扰等情况下对电路的影响极小,即对共模信号的抑制能力较强,电路工作稳定.信噪比较高,音乐背景十分宁静。
 差分式放大电路的工作原理如下:输入信号从V1的栅极输入,从屏极输出,输出信号的相位与输入信号相反,由于本级采用单端输出的工作方式,所以V1的输出未用.V2的输入信号是从阴极(⑧脚)注入的,这是因Vl、V2共用阴极电阻,有互耦作用,放大后的信号从屏极输出;输出信号的相位与输入信号相同,V2工作在共栅极状态,单端输出的差分放大电路的放大倍数是单—管的1/2,为了有足够的电压增益,本级放大管采用高u双三极管12AX7,也可以用五极电压放大管,如6J1、6SJ7等。阴极电阻R2的阻值较大,又无旁路电容,所以本级有电流负反馈.且反馈较深.工作很稳定。V2的栅极还接有从推动级输出端引来的环路负反馈电压。反馈量由R4和R14的阻值大小决定。此电路元件少,性能优越。
 V3是推动级,用功率放大管6P3P(6L6)来担当,此胆工作电流较大,音色豪迈.推动后级功放管游刃有余,能得到较好的效果和亮丽的音色。为了降低6P3P的内阻,将其接成三极管的形式,推动能力更强,并从屏极引出适量的电压反馈到V2的栅极,使整机的音色更优美,V3的栅极设有防振电阻R6,以抑制寄生振荡。
 功放级用直热式三极功放管2A3,可得到超凡的音乐表现。功放管工作在A类状态、自给偏压的工作方式。灯丝两端设有平衡电位器W2,以抑制交流声。若将功放管改用300B,只要将灯丝电压改为5V即可,其他元件不需更动。
 电源部分,B+高压采用胆整流及扼流圈的CLC滤波电路。整流管用5AR4.此胆的动态胜过其他常用的整流胆。整流管的优劣对放大器的影响并不亚于放大管;灯丝全部用交流供电;
 V1、V2的阴极电路需要B-电压,可以用1.5V的电池供电.另设一只开关负责B-电源的通断。因V1,V2的工作电流很小(2mA).所以耗电不大,一节1号电池可用1-2个月,音色非常通透,甜美,信噪比很高。本机用的是另没一套B-电源,调整W3,使Vl、V2的阴极(③,⑧脚)电压有1.5-1.8V即可。
 要得到好的放音效果,在元件选用上要加大投入。电子管2A3,6P3P、5AR4用曙光的,12X7选择面较宽,12AX7WA及5751都试过;若用ECC83更好。B+滤坡电容用MALLORY或PHILIPS的电解电容。电阻用AB碳阻和国产RT型碳膜电阻,B+电路中降压电阻用SPRAGUE线绕电阻等。电源变压器的容量要足够大,至少要180~200VA,次级高压绕组的容量不小于200mA,输出变压器是靓声的关键,本机使用的曙光牌300B或2A3专用输出变压器初级阻抗3.5kΩ,次级阻抗有4Ω、8Ω、16Ω三组。音量电位器要用电阻级进式的而不用普通碳膜渐进式的品种,本机用23挡电阻级进式且是用美国发烧级的CGW电阻和含银6%OSEL锡丝焊接的,AC电源保险丝要通过全部电能.更不能忽视,不能用普通家用保险丝管,本机用专为音响器材研制开发的英国BUSS牌保险丝。底盘用专业加工的不锈钢板底盘,底盘最好用不导磁的材料,并且越厚重组装后的胆机声音越厚润。
 本机采用搭棚焊接的方式,需要注意的是,用直热式三极功放管作输出的胆机,稍有不慎就会有较大的交流声;因此要特别注意元件排位和走线,有交流磁场的导线或元件应远离信号传输线路和放大管的屏极电源线,以免引起干扰。
 是否出好声还与校声和各放大管的工作点有关,尤其足电子管的工作点,对声的影响特别大,所以在调试各工作点时要多试不同工作点的效果,才能找到好声。
 负反馈量对奋邑和整机的增菇也有较大的影响。调整R14、R4的电阻值使音色最好。当整机的增益足够时,音效才靓。更重要的是R14的素质,因为反馈电压是经R14到栅极的,当R14的素质较高时,整机的音色才更舰。负反馈电阻用古董的AB碳阻或国产的RT型碳膜电阻较好.杏色比金膜电阻甜美。
 V1.V2的阴极电阻R2的阻值较大.使差分放大电路有较深的电流负反馈,对此级放大量也有影响。调整R2的阻值使输入级有足够的增益的同时,又能充分发挥差分放大电路对共模信号的抑制能力,使整机的信噪比更高、音色也更清澈。
 换胆是最简单,最有效的校声方法。12AX7换用英国MULLARD或西德Telefunken的ECC83,6P3P换用6L6GC或5881,5AR4用天津制造的274B等都会有超凡的音效表现。
 还有一点不能不提,就是与音源连接的信号线也要够档次,其音质才会更超群。
  (责任编辑:admin)
 |