haoDIY创好电子音响电脑科技DIY小制作发明移动版

主页 > 音响DIY > 胆机DIY > 前级DIY >

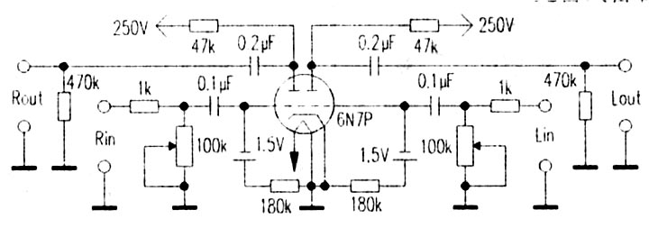
6N7P电子管胆前级

6N7P系共阴极双三极管.一致性好,用于推挽放大倒相电路平衡度高。此管具备右特性,可工作于零栅压,音质圆润醇真。为了领略6N7P的魅力,笔者用6N7P组成双声道前级.采用1.5V电池作栅偏压.灯丝用直流供电。6N7P工作点电流在23mA,放音胆味浓郁.非常耐听。    
6N7P电子管胆前级
(责任编辑:admin)
    haoDIY创好电子 版权所有,电话微信13977534587