贴片式稳压电源IC的识别与使用(2)
时间:2014-07-08 21:41 来源:未知 作者:admin 点击:次
|
有些电源IC还设有电源工作状态信号输出。当电源工作正常时,输出高电平;当电源有故障或输出电压低于正常电压5%以上时,输出低电平。此信号可输入μP、μC或利用LED指示电路作故障或输出电压过低报警。
为什么开关式稳压器效率高
开关式稳压器效率高的原因,可以用降压式开关稳压器为例加以说明(一般称为降压式DC/DC变换器),如图4(a)所示。开关管导通时〔图4(b)〕,相当于开关闭合,VIN经L向C充电,在电感器L上储能。开关管截止时〔图4(c)〕,相当于开关断开,储存在电感器L中的能量释放,通过电容器C及二极管VD形成回路。输出电压经反馈到控制电路。若负载电流变化引起输出电压变动时,控制器通过开关管改变脉冲的宽度(PWM)或改变脉冲的频率(PFM),使输出电压保持基本不变。电感器上的电流IL的波形如图4(d)所示,图中虚线表示输出的平均电流。
如上所述,开关电源IC的开关管工作于开关状态,所以开关管上的损耗很小,因此效率就很高,一般可达80%~93%。
开关式稳压器的特点
开关式稳压器不仅效率高,并且可以组成降压式(VIN>VOUT)、升压式(VIN<VOUT)及电压反转式(VOUT=-VIN),使用比较灵活。特别是在便携式应用中,用1~2节电池可以获得多种电压。另外,它外部仅3个元件:L、VD和C(采用同步整流时可省掉VD),电路简单,所占印制板面积小;输入电压VIN有较大变化时不影响开关管的损耗,所以特别适用于VIN与VOUT差值很大的场合。它的缺点是纹波电压(一种噪声电压)较大,一般有几十毫伏到上百毫伏(低噪声的也有几毫伏),而线性稳压器仅几十到上百微伏,相差约千倍!
调节器与控制器
调节器是Regulator的译名,但人们习惯上把调节器称为稳压器。调节器与控制器的差别是:若调整管或开关管做在IC上称为调节器;若调整管或开关管不做在IC上则称为控制器。
控制器的优点是:用户可以根据所需输出电流的大小选择不同的调整管或开关管,应用较为灵活;调整管或开关管属功率器件,会发热,与控制电路分开可使控制电路免受高温影响;另外,硅片面积小,工艺简单,生产成本低。
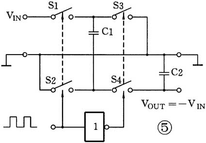
电荷泵式电源
电荷泵式电源也是一种DC/DC变换器,它将输入的正电压转换成相应的负电压,即VOUT=-VIN。另外,不同的接法也可转换成近两倍的输入电压,即VOUT≈2VIN。
电荷泵变换器的工作原理如图5所示。振荡器输出50%占空比的脉冲控制模拟开关S1及S2;经反相器后控制模拟开关S3及S4。可以看出,S1、S2闭合时,S3、S4断开;S1、S2断开时,S3、S4闭合。
当S1、S2闭合,S3、S4断开时,输入的正电压VIN向C1充电(上正下负);当S3、S4闭合,S1、S2断开时,C1向C2放电(上正下负)。当振荡器以较高的频率控制模拟开关,使VOUT=-VIN。
电荷泵电路由电容上的电荷转移而得名。它的特点是电压转换效率很高,可达98%~99%,但不稳压,并且有较大的纹波电压输出。近年来经过不断改进,工作频率已从10kHz(ICL7660)提高到几百千赫,有的已高达2MHz~3MHz。频率增高使泵电容容量减小,输出电流加大,输出电阻减小,纹波电压减小。
编后: “SMD连载”系列文章从今年第7期开始至此已全部刊出,由于篇幅的限制,我们更多的是介绍SMD的基本常识和使用时的注意事项(即“应用指南”部分的内容),而对在产品手册和网络上能查到的具体参数和资料则作了删节。为此我们将贴片式二极管、三极管、场效应管和电源IC的相关资料重新整理放到了本刊今年的增刊中,共约20页,其中还包括温度补偿晶体振荡器的资料。详情请参阅本期第1页的介绍。
(责任编辑:admin) |
- 上一篇:贴片式三极管的识别与使用
- 下一篇:贴片式二极管的识别与使用

