|
一个电动小趁魅整体的运行机能,起首取决于它的电池体系和电机驱动体系。电动小车的驱动系同一样平常由节制器、功率调动器及电念头三个首要部门构成。电动小车的驱动不单要求电机驱动体系具有高转矩重量比、宽调速范畴、高靠得住性,并且电机的转矩-转速特征受电源功 率的影响,这就要求驱动具有尽也许宽的高服从区。我们所行使的电机一样平常为直流电机,首要用到永磁直流电机、伺服电机及步进电机三种。直流电机的节制很简朴,机能出众,直流电源也轻易实现。本文即首要先容这种直流电机的驱动及节制。 1.H型桥式驱动电路 直流电机驱动电路行使最普及的就是H型全桥式电路,这种驱动电路可以很利便实现直流电机的四象限运行,别离对应正转、正转制动、反转、反转制动。它的根基道理图如图1所示。
全桥式驱动电路的4只开关管都事变在斩波状态,S1、S2为一组,S3、S4为另一组,两组的状态互补,一组导通则另一组必需关断。当S1、S2导通时,S3、S4关断,电机两头加正向电压,可以实现电机的正转或反转制动;当S3、S4导通时,S1、S2关断,电机两头为反向电压,电机反转或正转制动。 在小车举措的进程中,我们要不绝地使电机在四个象限之间切换,即在正转和反转之间切换,也就是在S1、S2导通且S3、S4关断,到S1、S2关断且S3、S4导通,这两种状态之间转换。在这种环境下,理论上要求两组节制信号完全互补,可是,因为现实的开关器件都存在 开通和关断时刻,绝对的互补节制逻辑肯定导致上下桥臂直通短路,好比在上桥臂关断的进程中,下桥臂导通了。这个进程可用图2声名。因此,为了停止直通短路且担保各个开关管举措之间的协同性和同步性,两组节制信号在理论上要求互为倒相的逻辑相关,而现实上却必 须相差一个足够的死区时刻,这个改正进程既可以通过硬件实现,即在上下桥臂的两组节制信号之间增进延时,也可以通过软件实现(详细要领参看后文)。
驱动电流不只可以通过主开关管畅通,并且还可以通过续流二极管畅通。当电机处于制动状态时,电机便事变在发电状态,转子电流必需通过续流二极管畅通,不然电机就会发烧,严峻时销毁。 开关管的选择对驱动电路的影响很大,开关管的选择宜遵循以下原则: (1)因为驱动电路是功率输出,要求开关管输出功率较大; (2)开关管的开通和关断时刻应尽也许小; (3)小车行使的电源电压不高,因此,开关管的饱和压降应该只管低。 在现实建造中,我们选用大功率达林顿管TIP122或场效应管IRF530,结果都还不错,为了使电路简化,提议行使集成有桥式电路的电机专用驱动芯片,如L298、LMD18200,机能较量不变靠得住。 因为电机在正常事变时对电源的滋扰很大,假如只用一组电源时会影响单片机的正常事变,以是我们选用双电源供电。一组5V给单片机和节制电路供电,其它一组9V给电机供电。在节制部门和电机驱动部门之间用光耦离隔,以免影响节制部门电源的品格,并在达林顿管的基极加三极管驱动,可以给达林顿管提供足够大的基极电流。图3所示为回收TIP122的驱动电机电路,IOB8口为“0”,IOB9口输入PWM波时,电机正转,通过改变PWM 的占空比可以调理电机的速率。而当IOB9口为“0”,IOB8口输入PWM波时,电机反转,同样通过改变PWM的 占空比来调理电机的速率。
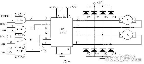
图4为回收内部集成有两个桥式电路的专用芯片L298所构成的电机驱动电路。驱动芯片L298是驱动二相和四相步进电机的专用芯片,我们操作它内部的桥式电路来驱动直流电机,这种要领有一系列的利益。每一组PWM波用来节制一个电机的速率,而其它两个I/O口可以节制电机的正反转,节制较量简朴,电路也很简朴,一个芯片内包括有8个功率管,这样简化了电路的伟大性,如图所示IOB10、IOB11节制第一个电机的偏向,IOB8 输入的PWM 节制第一个电机的速率;IOB12、IOB13节制第二个电机的偏向,IOB9输入的PWM节制第二个电机的速率。
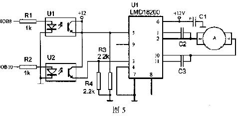
LMD18200是美国国度半导体公司推出的专用于直流电念头驱动的H桥组件,统一芯片上集成有CMOS节制电路和DMOS功率器件。此种芯片刹时驱动电流可达6A,正常事变电流可达3A,具有很强的驱下手段,无“shot-through”电流,并且此种芯片内部还具有过流掩护的丈量电路,只必要在LMD18200的8脚输出端测出电压和给定的电压较量即可掩护电途经流,从而实现电路的过流掩护成果。由LMD18200构成的电机驱动电路如图5 所示。LMD18200 的5 脚为PWM 波输入端,通过改变PWM 的占空比就可调理电机的速率,改变3脚的坎坷电平即可节制电机的正反转。此电路和以上几种驱动电路较量具有明明的利益,驱动功率大,不变性好,实现利便,安详靠得住。
2.PWM 节制 PWM(脉冲宽度调制)节制,凡是共同桥式驱动电路实现直流电机调速,很是简朴,且调速范畴大,它的道理就是直流斩波道理。如图1所示,若S3、S4关断,S1、S2受PWM节制,假设高电平导通,忽略开关管消费,则在一个周期内的导通时刻为t,周期为T,波形如图6,则电机两头的均匀电压为: U=Vcc t/T=αVcc ,个中,α=t/T称为占空比,Vcc为电源电压(电源电压减去两个开关管的饱和压降)。
电机的转速与电机两头的电压成比例,而电机两头的电压与节制波形的占空比成正比,因此电机的速率与占空比成比例,占空比越大,电机转得越快,当占空比α=1时,电机转速最大。PWM节制波形的实现可以通过模仿电路或数字电路实现,譬喻用555搭成的触发电路,可是,这种电路的占空比不能自动调理,不能用于自动节制小车的调速。而今朝行使的大大都单片机都可以直接输出这种PWM波形,或通过期序模仿输出,最得当小车的调速。我们行使的是凌阳公司的SPCE061 单片机,它是16位单片机,频率最高到达49MHz,可提供2 路PWM 直接输出,频率可调,占空比16级可调,节制电机的调速范畴大,行使利便。SPCE061单片机有32个I/O口,内部设有2个独立的计数器,完全可以模仿恣意频率、占空比随意调理的PWM信号输出,用以节制电机调速。在现实建造进程中,我们以为节制信号的频率不必要太高,一样平常在400Hz以下为宜,占空比16级调理也完全可以满意调速要求,而且在小车行进的进程中,占空比不该该太高,在直线提高和转弯的时辰应该区别看待。若车速太快,则在转弯的时辰,偏向不易节制;而车速太慢,则很挥霍时刻。这时可以按照详细环境逐步调理。在2003年 “浅显智能电动车”的现实建造中,我们的小车驱动信号的占空比一样平常在8/16以下。 3.通过软件停止直通短路 以前面的说明可知,桥式驱动电路中,因为开关管有开通和关断时刻,因此存在上下桥臂直通短路的题目。直通短路的存在,轻易使开关管发烧,严峻时销毁开关管,同时也增进了开关管的能量消费,挥霍了小车名贵的能量。因为此刻的很多集成驱动芯片内部已经内置了死 区掩护(如LMD18200),这里首要先容的是操作开关管中分立元件以及没有死区掩护的集成芯片建造驱动电路时增进死区的要领。 死区时刻的题目,只有在正转变为反转的时辰才存在,而在正转启动或反转启动的时辰并没有,因此不必要批改。假如开关管的开通和关断时刻很是小,可能在硬件电路中增进延时环节,都可以低落开关管的消费和发烧。虽然,通过软件停止直通短路是最好的步伐,它的操纵简朴,节制机动。通过软件实现死区时刻,就是在溘然换向的时辰,插入一个延时的环节,待开关管关断之后,再开通应该开通的开关管。图7为操作软件批改死区时刻的流程图,在开关管每次换向的时辰,欠妥即举办偏向的切换,而是先使开关管关断一段时刻,使其完全关断 后再换向打开其它的开关管。这个关断时刻由单片机软件延时实现。 (责任编辑:admin) |

















