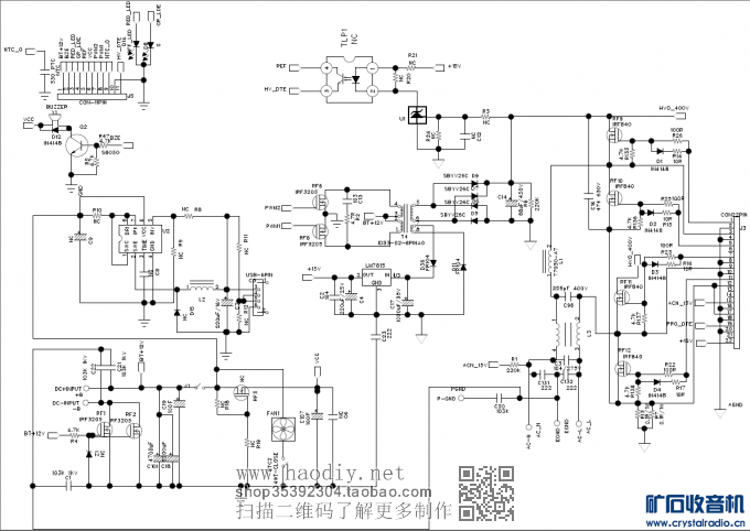
先发电路图

已经全部安装完毕,盒子是水电池充电器改的。发图上限了,明天继续发。主要改动的地方就是场管,由原来的1对改为2对,在功率上450W阻性负载毫无问题,用脱水机测试也能够正常工作,就是启动稍慢,洗衣部分光报警,所以没用过。用电风扇和市电一样,没有方波的那种杂音,最大正常启动230W的工厂用的大风扇。
工作1天下来毫无压力。 |
-
-
IMG_0514.jpg (401.87 KB, 下载次数: 38)
-
-
IMG_0515.jpg (251.38 KB, 下载次数: 33)
-
-
IMG_0516.jpg (315.81 KB, 下载次数: 38)
-
-
IMG_0517.jpg (314.55 KB, 下载次数: 36)
-
-
IMG_0518.jpg (328.71 KB, 下载次数: 30)
-
-
IMG_0519.jpg (270.56 KB, 下载次数: 39)
-
-
IMG_0520.jpg (252.75 KB, 下载次数: 46)
-
-
IMG_0521.jpg (376.95 KB, 下载次数: 38)
-
-
IMG_0523.jpg (397.65 KB, 下载次数: 40)
-
-
IMG_0524.jpg (334.31 KB, 下载次数: 37)
-
-
IMG_0522.jpg (368.75 KB, 下载次数: 43)
-
-
IMG_0525.jpg (324.97 KB, 下载次数: 40)
-
-
IMG_0526.jpg (370.52 KB, 下载次数: 40)
-
-
IMG_0527.jpg (280.04 KB, 下载次数: 35)
-
-
IMG_0528.jpg (256.28 KB, 下载次数: 34)
(责任编辑:admin) |