|
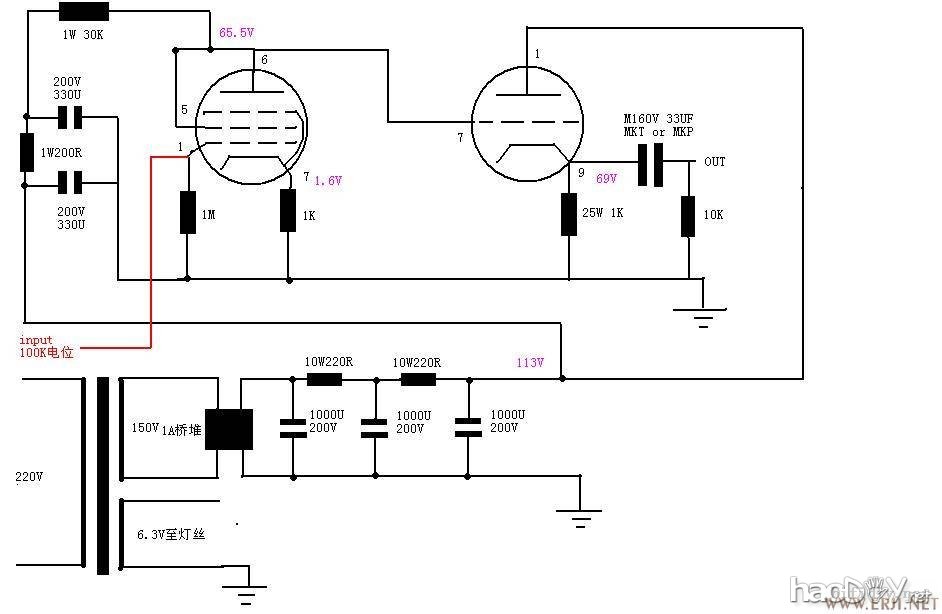
闲来做一台6J1推6C19,6J1三级管接法推6C19阴级电容输出。
好的有空俺就试试楼上这个图,这久玩的东西太多啦都完不过来了,呵呵,成堆的黑砂片还等我去拆,还准备做台牛出的耳放。 黑嗓332是去年在靓音坊2400入的,总体来说还可以,朋友想要这玩艺所以帮他仿制了一台。其实昨天就已经开声了,但是今天事情太多所以没上图,还有部分工作点不对,正在同原机做比较,声音现在是不错的,就是人声太突出贴着脸,感觉太挤了
(责任编辑:admin) |
|
闲来做一台6J1推6C19,6J1三级管接法推6C19阴级电容输出。
好的有空俺就试试楼上这个图,这久玩的东西太多啦都完不过来了,呵呵,成堆的黑砂片还等我去拆,还准备做台牛出的耳放。 黑嗓332是去年在靓音坊2400入的,总体来说还可以,朋友想要这玩艺所以帮他仿制了一台。其实昨天就已经开声了,但是今天事情太多所以没上图,还有部分工作点不对,正在同原机做比较,声音现在是不错的,就是人声太突出贴着脸,感觉太挤了
(责任编辑:admin) |
自本人《烂牛是怎样做成的?(25部学做牛)》和《配对输出牛的业余绕制技巧》上贴后,...
先给各位坛友拜年啦!!春节好!! GS5A是测试电子管的便捷工具,但其附件散失较多,...
在我们制作胆机时若不重视变压器与电子管的摆位关系,等你开声后干扰哼声不断那已为时...
DIY电子管测试仪,点击图片可以看的清楚些。 测试仪.jpg (106.94 KB) 下载次数:486 20...
新年放假没事做,在家搞了个辉光数字钟,这个和HIFI没什么关系,但是确是实实在在的DI...
电子管管座松动的修复方法
更新:2012-10-19
自制6z4电子管整流代乙电电源
更新:2013-02-21
收集几款6SN7,试听了一下,写点
更新:2012-08-31
最近做了个简易电子管测试小盒,
更新:2017-09-18