最好的电子音响科技diy制作网站

haoDIY_音响电子电脑科技DIY小制作发明

当前位置: 主页 > 音响DIY > 胆机DIY > 其它综合DIY >

新年放假没事做,在家搞了个辉光数字钟

时间:2012-09-27 16:45来源:hifidiy.net论坛 作者:组合开关 点击:
新年放假没事做,在家搞了个辉光数字钟,这个和HIFI没什么关系,但是确是实实在在的DIY,是全手工制作的^_^ 以前在学校的时候学过单片机,当时就很感兴趣,但也只是学学原理而已,没动手做过什么东西,出来工作后忘得也差不多了。前段时间看见坛里讨论辉光管
新年放假没事做,在家搞了个辉光数字钟,这个和HIFI没什么关系,但是确是实实在在的DIY,是全手工制作的  ^_^
以前在学校的时候学过单片机,当时就很感兴趣,但也只是学学原理而已,没动手做过什么东西,出来工作后忘得也差不多了。前段时间看见坛里讨论辉光管做数字钟的话题,于是就想自己设计制作一个顺便再学习学习单片机,于是买来了元件乘新年放假有空就开始动手做了,
板是自己用三氯化铁自己腐蚀的(这边电子城今年放假放的特边长,要放到正月十五才开门,搞到买配件都没那么方便了)
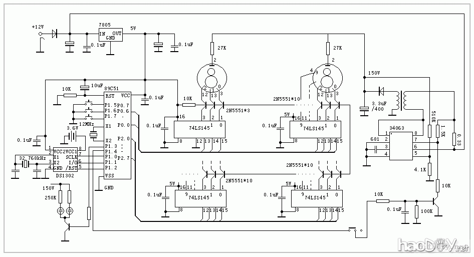
显示是四位的,辉光管是QS30,芯片选的是 DS1302+89C51,直流9~12V供电。做好已经走了几天了,还算好没有出现什么误差

新年放假没事做,在家搞了个辉光数字钟

最先想做成这个样子,但找不到合适的透明塑料圆筒就放弃了

新年放假没事做,在家搞了个辉光数字钟



最后就想做成这个样子

新年放假没事做,在家搞了个辉光数字钟

中间的秒点用的是这种氖灯泡,也是辉光的

新年放假没事做,在家搞了个辉光数字钟




辉光管的工作电压很高,我取的是150V

升压电路用的是34063:

新年放假没事做,在家搞了个辉光数字钟

新年放假没事做,在家搞了个辉光数字钟

因为是想用直流供电所以没有采用倍压

背面

新年放假没事做,在家搞了个辉光数字钟




PCB本来是自己做做玩玩的,所以还有些地方布得不太好,还要再修改一下

原理图:
新年放假没事做,在家搞了个辉光数字钟



板子去做了几块,所以刚新又装了一台   

这张图还没装面板,面板今天下午才去找人做的:
新年放假没事做,在家搞了个辉光数字钟



全部装好的样子:

新年放假没事做,在家搞了个辉光数字钟


效果图:
新年放假没事做,在家搞了个辉光数字钟

今天找了一个旧的12V蓄电池接上,证明可以用电池供电



新年放假没事做,在家搞了个辉光数字钟

新年放假没事做,在家搞了个辉光数字钟
4四位单片机led数字数码电子钟时钟 电子diy制作 pcb套件散件成品
¥2.50

(责任编辑:admin)
织梦二维码生成器
顶一下
(0)
0%
踩一下
(0)
0%
相关文章
------分隔线----------------------------
发表评论
请自觉遵守互联网相关的政策法规,严禁发布色情、暴力、反动的言论。
评价:
表情:
用户名: 验证码:点击我更换图片
栏目列表
推荐内容