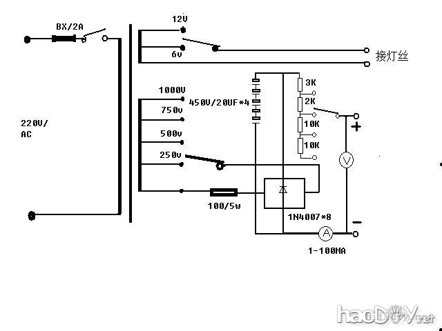
本人今天用电击法修复了2只老化的807,效果特好与新品没有太大区别,原理是随着时间的延长阴极发射电子的能力逐渐减弱直到瓶级电流为0,阴极的电子全部被栅极吸收我们加上反压使栅极的电子从新回到阴极使之恢复阴极发射电子的能力,具体操作方法奉上:取一个直流电源300-600V电流10-70MA,我用的是双250V的70MA的电源牛将其整流滤波再经一个3K电阻限流以防过流损坏管子分2档,即0-250-500,取6.3V灯丝接807灯丝脚预热1分钟再将负极接灯丝脚,正极接阴极和栅极碰触几下里面可能有蓝光放电,这是正常之后再调整电流在50MA左右1-2分钟即可搞定,如果衰老严重可将灯丝提高到10-12V(用一个开关从6V再转到12V不能直接12V灯丝冷态电阻很小直接12V可能会烧断灯丝),电压再提高到1000-1500V碰触几下如果有电流马上降到300-500V,此法只要灯丝不断无漏气老化再严重也能修复成功率在98%以上此法不仅能修复807其他各种管子都行,我今天修复了2只807,1只6N2那2只807屏流均为0修复后屏流达到最大100MA各位烧友试试吧,成功了别忘了帮顶贴啊 原理图如下: 电子管修复器.jpg (27.81 KB)
是在灯丝和栅极之间,把灯丝接到负极,栅极接正极!过几分钟灯丝的负极不要动,把正极再接到阴极再过一分钟把阴极和栅极一起接到正极就OK了,你的管子我敢保证全部都能激活!! 灯丝总是通电的,刚才我又帮朋友修复了2只807,效果很好音质也可以朋友说神了就这报废管还能起死回生?简直不敢相信修好了他非常惊讶!! 今天又弄到4只807,有一只漏气了只能报废了,剩下的3只激活了2只,效果还不错,测试电子发射能力比新管稍差一点,不过效果很好的
(责任编辑:admin) |
















