|
万用电路板是一种按照标准IC间距(2.54mm)布满焊盘、可按自己的意愿插装元器件及连线的印制电路板,俗称“洞洞板”。相比专业的PCB制版,洞洞板具有以下优势:使用门槛低,成本低廉,使用方便,扩展灵活。比如在大学生电子设计竞赛中,作品通常需要在几天时间内争分夺秒地完成,所以大多使用洞洞板。 洞洞板的选择 目前市场上出售的洞洞板主要有两种,一种焊盘各自独立(图1,以下简称单孔板),另一种是多个焊盘连在一起(图2,以下简称连孔板),单孔板又分为单面板和双面板两种。根据笔者的经验,单孔板较适合数字电路和单片机电路,连孔板则更适合模拟电路和分立电路。因为数字电路和单片机电路以芯片为主,电路较规则;而模拟电路和分立电路往往较不规则。分立元件的引脚常常需要连接多根线,这时如果有多个焊盘连在一起就要方便一些。当然这并不绝对,每个人的喜好不一样,选择自己用起来比较顺手的就OK了。
另外,读者需要区分两种不同材质的洞洞板:铜板和锡板。铜板的焊盘是裸露的铜,呈现金黄色,平时应该用纸包好保存,以防止焊盘氧化,万一焊盘氧化了(焊盘失去光泽、不好上锡),可以用棉棒蘸酒精清洗或用橡皮擦拭。焊盘表面镀了一层锡的是锡板,焊盘呈现银白色,锡板的基板材质要比铜板坚硬,不易变形。他们的价格也有区别,以大小为100 cm2(10cm×10cm)的单面板为例:铜板价格3~4元,锡板7~8元,一般每平方厘米不超过8分钱。 焊接前的准备 在焊接洞洞板之前需要准备足够的细导线(图3)用于走线。细导线分为单股的和多股的(图4):单股硬导线可将其弯折成固定形状,剥皮之后还可以当作跳线使用;多股细导线质地柔软,焊接后显得较为杂乱。
图3 细导线
图4 多股和单股细导线
洞洞板具有焊盘紧密等特点,这就要求我们的烙铁头有较高的精度,建议使用功率30W左右的尖头电烙铁。同样,焊锡丝也不能太粗,建议选择线径为0.5~0.6mm的。 洞洞板的焊接方法 对于元器件在洞洞板上的布局,大多数人习惯“顺藤摸瓜”,就是以芯片等关键器件为中心,其他元器件见缝插针的方法。这种方法是边焊接边规划,无序中体现着有序,效率较高。但由于初学者缺乏经验,所以不太适合用这种方法,初学者可以先在纸上做好初步的布局,然后用铅笔画在洞洞板正面(元件面)上,继而也可以将走线规划出来,方便自己焊接。 洞洞板的焊接方法,一般是利用前面提到的细导线进行飞线连接,飞线连接没有太多的技巧,但应尽量做到水平和竖直走线,整洁清晰(图5)。现在网上流行一种方法叫锡接走线法,如图6所示,工艺不错,性能也稳定,但比较浪费锡。纯粹的锡接走线难度较高,受到锡丝、个人焊接工艺等各方面的影响。如果先拉一根细铜丝,再随着细铜丝进行拖焊,则简单许多。洞洞板的焊接方法是很灵活的,因人而异,找到适合自己的方法即可。
图5 常用的飞线连接法 洞洞板的焊接技巧 很多初学者焊的板子很不稳定,容易短路或断路。除了布局不够合理和焊工不良等因素外,缺乏技巧是造成这些问题的重要原因之一。掌握一些技巧可以使电路反映到实物硬件的复杂程度大大降低,减少飞线的数量,让电路更加稳定。下面就笔者的经验谈谈洞洞板的焊接技巧。 1. 初步确定电源、地线的布局 电源贯穿电路始终,合理的电源布局对简化电路起着十分关键的作用。某些洞洞板布置有贯穿整块板子的铜箔,应将其用作电源线和地线;如果无此类铜箔,你也需要对电源线、地线的布局有个初步的规划。 2. 善于利用元器件的引脚 洞洞板的焊接需要大量的跨接、跳线等,不要急于剪断元器件多余的引脚,有时候直接跨接到周围待连接的元器件引脚上会事半功倍。另外,本着节约材料的目的,可以把剪断的元器件引脚收集起来作为跳线用材料。 3. 善于设置跳线 特别要强调这一点,多设置跳线不仅可以简化连线,而且要美观得多,见图7。
图6 锡接走线法
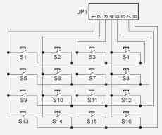
图7 多使用跳线 4. 善于利用元器件自身的结构 图8是矩阵键盘电路,图9是笔者焊接的矩阵键盘。这是一个利用了元器件自身结构的典型例子:图9中的轻触式按键有4只脚,其中两两相通,我们可以利用这一特点来简化连线,电气相通的两只脚充当了跳线。读者可以对照图10好好体会一下。
图8 矩阵键盘电路
图9 矩阵键盘 5. 善于利用排针 笔者喜欢使用排针,因为排针有许多灵活的用法。比如两块板子相连,就可以用排针和排座。排针既起到了两块板子间的机械连接作用,又起到电气连接的作用。这一点借鉴了电脑的板卡连接方法。 6. 在需要的时候隔断铜箔 在使用连孔板的时候,为了充分利用空间,必要时可用小刀割断某处铜箔,这样就可以在有限的空间放置更多的元器件。 7. 充分利用双面板 双面板比较昂贵,既然选择它就应该充分利用它。双面板的每一个焊盘都可以当作过孔,灵活实现正反面电气连接。 8. 充分利用板上的空间 芯片座里面隐藏元件,既美观又能保护元件(图11)。
图10 矩阵键盘背面
图11 芯片座内隐藏元件
“洞洞板”给我们带来了很大的方便,或许它已成为你电子实验中不可缺少的一部分。参考笔者提供的这些小经验、多动手实践,你将会体会到更好、更适合自己的使用方法和技巧。 (责任编辑:admin) |

























