选择片状二极管有两个主要参数:最高反向工作电压(峰值)VR;额定正向整流电流(平均值)IF
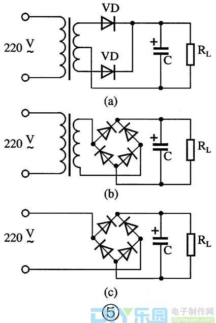
在图5(a)中,所选的二极管要求:VR>2E2,IF>1/2Id(E2为变压器副边交流电压,Id为通过负载电阻的负载电流)。在图5(b)中,要求VR>2E2,IF>1/2Id。在图5(c)中,直接由市电220V整流为直流(常用于AC/DC变换器),其VR>×242V(市电有±10%允差),一般可选400V或600V的整流二极管,IF>1/2Id。
用于半导体器件的电源中,电压一般不超过15V,电流小于1A时,可用1N4001,适用于图5(a)及5(b)。
为减小印制板面积并简化生产,开发出片状桥式整流器,如图6所示,常用的有VR=200V,IF=1A的全桥。
2.片状快速恢复二极管
在电视机、仪器中的高频整流电路、开关电源及DC/DC变换器、脉冲调制解调电路、变频调速电路、UPS电源或逆变电路中,由于工作频率高(几十千赫~几百千赫,一般的整流二极管不能使用(它只能用于3kHz以下),需要使用片状快速恢复二极管。它的主要特点是反向恢复时间trr小。trr一般为几百纳秒,当工作频率更高时,采用超快速恢复二极管,它的trr为几十纳妙。关于快速恢复二极管可参看本期“初学者园地”栏目《什么是快速恢复二极管》一文。
片状快速恢复二极管反向峰值电压可达几百伏到一千伏。常用的正向平均电流可达0.5~3A。当工作频率大于1000MHz时,则需要采用肖特基二极管。
3.片状肖特基二极管
片状肖特基二极管最大的特点是反向恢复时间短,一般可做到10ns以下(有的可达4ns以下),工作频率可在1~3GMHz范围;正向压降一般在0.4V左右(与电流大小有关);但反向峰值电压小,一般小于100V(有些仅几十V,甚至有的还小于10V)。
它的额定正向电流范围从0.1安培~几个安培。大电流的肖特基二极管是面接触式,主要用于开关电源、DC/DC变换器中;还有小电流点接触式的用于微波通信中(称为肖特基势垒二极管,反向恢复时间小于1ns)。它不仅适用于数字或脉冲电路的信号箝位,而且在自控、遥控、仪器仪表中用作译码、选通电路;在通信中用作高速开关、检波、混频;在电视、调频接收机中作频道转换开关二极管或代替锗检波二极管2AP9,性能良好、稳定可靠,并且价格不高。
如何来区分肖特基二极管、快速恢复二极管及普通硅二极管呢。可用MF50万用表来测正向电阻的方法来区别。其电阻分别为150Ω、500Ω及650Ω左右。
4.片状开关二极管
片状开关二极管的特点是反向恢复时间极短,高速开关二极管的反向恢复时间≤4ns(如1N4148),而超高速开关二极管则≤1.6ns(如1SS300)。另外,它的反向峰值电压不高,一般仅几十伏;正向平均电流也较小,一般仅100~200mA。
该二极管主要用于开关、脉冲、高频电路和逻辑控制电路中。由于片状1N4148高速开关二极管尺寸小、价格便宜,也可用作高频整流或小电流低频整流及并联于继电器作保护电路。采用小型塑封的,内部有1~4个二极管的结构,可减小安装尺寸。
5.片状稳压二极管
片状稳压二极管的应用与引线式完全相同。它有三种封装形式:SOT-23(0.3~0.5W)、圆柱形(0.4~0.5W)、SOT-89(1W)。主要参数有两个:稳定电压值及功率。常用的稳定电压值为3~30V,功率为0.3~1W(提出这两个参数就不会买错)。
稳压二极管的特点有:动态电阻RZ不是常数,如图7所示。6V左右的动态电阻最小,为5Ω左右,而2V或20V以上的动态电阻超过30Ω。稳压二极管的特性如图8所示。它有一个弧形拐点,所以IZ不能取得太小使它处于拐点上,一般取IZ=5mA左右为好。
(责任编辑:admin) |


















