欢迎光临haoDIY - DIY制作从这里开始!

haoDIY创好电子音响电脑科技DIY小制作发明

当前位置: 主页 > 电子DIY > led显示/灯光 >
  • 自制DIY便携式LED小灯 [led灯光手电] 自制DIY便携式LED小灯 日期:2013-01-21 12:45:23 点击:215 好评:0

    看到一位社区DIY的小灯,觉得挺好的;自己去电子市场买了几个小零件,拼凑了一个变种,供大家娱乐娱乐。元件清单:1. CR1220纽扣电池 x1(¥1.0)2. 鳄鱼夹 x1(...

  • <b>diy改装车内顶灯为LED灯</b> [led灯光手电] diy改装车内顶灯为LED灯 日期:2013-01-21 12:44:45 点击:204 好评:0

    小切的车内顶灯有个通病,就是灯泡离灯罩太近,灯罩很容易被高温烤化了。不信大家注意一下路边停着的小切,顶灯的灯罩上多数都有一个洞。偶的小切灯罩以前已经换...

  • diy用料最少的led电子频闪灯 [led灯光手电] diy用料最少的led电子频闪灯 日期:2013-01-21 12:41:19 点击:354 好评:-2

    现在发光二极管的普及已经广泛应用于生活和生产的各个领域,网上有许多电子频闪灯都是驱动发光二极管的,本人用最少的分立元件来驱动小电珠,制成了频闪灯,相关...

  • diy小手电改装为LED手电 [led灯光手电] diy小手电改装为LED手电 日期:2013-01-21 12:36:11 点击:367 好评:0

    下图中的这把小手电,是两节5号电池供电的。原来安装的是普通的2.5V的聚光灯泡,相当费电。。。。 决定改为LED发光。 由于原手电用的是聚光灯泡,所以没有反光碗...

  • 制作DIS.MUSIC21炫彩led音乐显示器 [led显示] 制作DIS.MUSIC21炫彩led音乐显示器 日期:2013-01-21 12:32:53 点击:420 好评:11

    -电路原理图 -所需元器件 -红、绿、蓝三色超高亮度草帽形LED灯(21*11pcs) -将LED为按红、绿蓝的顺序从左到右插入洞洞板 -在洞洞板背面焊接固定 -注意焊接时保...

  • 自制用0.3V废旧电池驱动LED [led灯光手电] 自制用0.3V废旧电池驱动LED 日期:2013-01-21 12:25:18 点击:390 好评:-2

    利用一个0.3V左右的废旧电池,来驱动LED灯 ,40KHZ的脉冲。成本不超过1元!先将制作方法和电路图,再秀成果~ 步骤如下:1.准备一个磁环,电子市场多得是,很便宜...

  • 制作1.5V升压拉个LED [led灯光手电] 制作1.5V升压拉个LED 日期:2013-01-21 12:25:00 点击:177 好评:0

    准备的东西有:一个绕好的电感(PS:我的绕了30圈)、一个9014三极管、200欧左右的电阻、几个LED、一节5号电池三极管的EBC是这样子区分滴哇咔咔 看我的超级盗版...

  • 自制纯手工打造摇摆LED时钟 [led显示] 自制纯手工打造摇摆LED时钟 日期:2013-01-21 12:14:01 点击:346 好评:2

    看到市场上正在流行的时尚商品——摇摆LED 时钟,感觉非常新颖独特,正在玩单片机的我,激起了自己也想DIY 一个的冲动。不就是一个流水灯吗?有什么难的?! 于...

  • 制作旋转LED制做过程 [led显示] 制作旋转LED制做过程 日期:2013-01-21 12:13:03 点击:117 好评:0

    制作方法: 1.电机的改装 电路的供电和LED 的定位是本制作的一个难点。装在电机上的电路始终在高速旋转,我们就无法使用通常的方法来给电路供电。但我们可以通过...

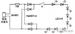
  • diy自制LED电话灯 [led灯光手电] diy自制LED电话灯 日期:2013-01-21 12:11:51 点击:85 好评:0

    我用的是11个白色高亮LED,一根旧的插头电话线,细电线,小开关. 旧网线皮,灯罩,一段铜线(是做灯竿,串到网线皮内,电源线也在网线皮内). 随自己的喜好焊接成喜欢的形...

栏目列表
推荐内容
织梦二维码生成器
广告位API接口通信错误,查看德得广告获取帮助
广告位API接口通信错误,查看德得广告获取帮助