欢迎光临haoDIY - DIY制作从这里开始!

haoDIY创好电子音响电脑科技DIY小制作发明

当前位置: 主页 > 电子DIY > 综合DIY >
  • 教你做超级电子甲虫 [综合DIY] 教你做超级电子甲虫 日期:2012-09-02 15:37:32 点击:247 好评:2

    材料元件: 1、牙刷一支,2、纽扣电池3V,3、振动电机一个(坏手机里拆一个就可以),4、透明胶带若干。 制作方法: 将牙刷头锯下,用透明胶带把振动电机缠在牙刷背部一端,再将电池缠在另外一端,并引出正负极接到振动电机,放到光滑桌子上就能走动了,哈哈...

  • 手工制作PCB线路板 [综合DIY] 手工制作PCB线路板 日期:2012-09-02 15:15:03 点击:524 好评:0

    制作PCB设备与器材准备 (1)DM-2100B型快速制板机1台 (2)快速腐蚀机1台 (3)热转印纸若干 (4)覆铜板1张 (5)三氯化铁若干 (6)激光打印机1台 (7)PC机1台 (8)微型电钻1个 实训主要设备简介 (1)DM-2100B型快速制板机 DM一2100B型快速制板机是用来将打印在热转印纸...

  • 白噪声电子催眠器睡眠器 [综合DIY] 白噪声电子催眠器睡眠器 日期:2012-09-02 15:14:01 点击:155 好评:0

    该电子催眠器是利用白噪声的镇静和安宁作用制成,其效果优于单调的雨滴声催眠器。 什么是白噪声呢?白噪声是借助色光的颜色来描述声音的一种表述。白色光是由各种颜色的光按一定比例混合而成的。如果用三棱镜来折射白色光,就会得到各种颜色的单色光。白噪声...

  • 电子催眠器睡眠器制作 [综合DIY] 电子催眠器睡眠器制作 日期:2012-08-29 17:05:00 点击:145 好评:0

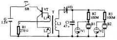
    这里介绍的新颖催眠器,能发出双声效果的雨滴声响,有很好的催眠效果。 1.电路原理 雨滴声电子催眠器的电路如图1所示。电路由:高压发生器、整流器及两个氖泡弛张振荡器组成。 高压发生器由三极管VT、线圈L1-L3等组成,按下开关SB后,L1、L2与VT组成的电感反...

  • 首页
  • 上一页
  • 31
  • 32
  • 33
  • 34
  • 35
  • 36
  • 末页
  • 36354
栏目列表
推荐内容
织梦二维码生成器
广告位API接口通信错误,查看德得广告获取帮助
广告位API接口通信错误,查看德得广告获取帮助