|
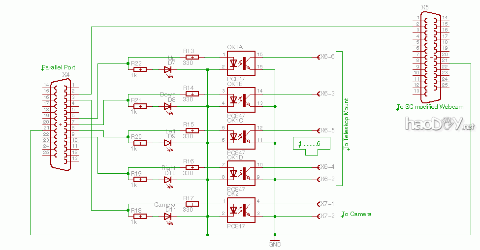
从一闪念的想法,到成果的展现,动手才能有收获。一天天的忙忙碌碌,难得做点自己想做的事,观星的人大多如此。 看着伤病不断、弃于一隅的赤道仪...挺难过的,遂入手2个电跟、4个光电耦合继电器,本着就地取材的原则,翻出闲置的IBM X31,找一根并口延长线,还有无所不能的502、哥俩好胶...开工! 原理各位前辈都有总结,赤道仪——DEC、RA电机——手控盒DEC、RA引出控制线——继电器组——并口——计算机——GuideMaster——导星摄像头——导星镜,不需任何单片机和其他集成电路,有电烙铁就行。手控盒改造和继电器、并口接线参考GuideMaster网站上的图: ![]() 改造完后上图: 难点一:赤纬轴电机不好固定,定制连接件麻烦,找现成的TQ4的云台板代替吧,有点将就了,就这一个角度齿轮能比较合适的啮合。问题就是刚度和稳固性不够,靠的就是502和哥俩好 难点二:TQ4涡轮蜗杆精度有限,导星校准时回差有点大,包括继电器比较廉价,反应速度一般,测试了60/220和50/300两个导星镜,一个F3.7,可以5分钟控制在5角秒左右,一个F6,焦距太长,对赤道仪要求比较高,导不了了 难点三:笔记本电脑并口输出和继电器的连接,不想焊接,用了延长线,公母母公的相互压紧 难点四:供电,电机12V用卷绕蓄电池,继电器5V拆了个USB线接电脑供电 难点五:调试,被导星不好找啊,反复调035MC曝光时间,500ms还行(赞一下ASI的减暗场);GM里的参数反复调,默认各方向移动时间是1000ms,对60/220导星镜来说500ms-700ms比较合适,其他参数没怎么调 前段时间在没有负载的情况下,做了简单测试 导星测试第一组 ![]() 1分钟 (责任编辑:admin) |
















