|
上图展示了构成线性扫描相机的各个功能模块。线性CCD传感器将收集的光感信息传递到AD(模拟-数字)转换器数字化,然后以数字信号形式输入控制器。这些数据可以显示在显示屏上,或者传输到存储器里。扫描的频率在500线每秒到2000线每秒之间可调,视CCD器件的种类而定。 电路部分被分成三大部分,每块之间通过柔性印刷电路排线相连。我经常不使用定制的PCB因为它们太贵而且没有DIY精神,设计麻烦,之后有改动也麻烦。这种一次性的制作在洞洞板上相机行事最好了。 2、光路和外壳
上图展示了如何为这个线性扫描相机制作外壳。这是从一个高知电子(Takachi electric industrial)的SW-85B塑料盒改造而来的外壳,这个项目的光路需要控制的非常精确,所以设计,加工,装配的时候都需要特别注意。这里有 外壳的图纸 。带有线性传感器的模拟部分电路板安装在可动的螺钉上,这样就能随意调整距离。 这次使用的透镜是C-mount接环的,它是工业摄像头中使用的标准镜头之一,但是不那么好弄到。我用了一个C-CS的转接环来将镜头装到壳体上。一个UNC(英制统一螺纹粗牙系列)螺母粘在盒子的底面上用来固定摄像头。盒内涂了一层导电涂料做电磁屏蔽。 3、模拟电路部分
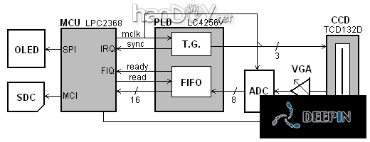
上图是这个制作中的模拟电路部分,它包含线性扫描相机中最为重要的器件。上面安装了一个CCD线性传感器和模拟电路。CCD线性传感器是一枚东芝的TCD132D单色CCD,它对红外光也敏感,所以为了获得与人眼感觉相近的图像需要一个红外滤镜(IRCF)。CCD线性传感器需要一个来自主控电路板的时钟信号驱动。传感器的模拟图像信号输出先经过一个可变增益放大器(AD8830),再由一个模数转换器(ADC1173)转化为数字信号。ADC1173的8位数字信号输出送入主控电路板。像素采集率从0.5MHZ到2MHZ可变,但是模数转换器必须在工作在至少两倍采样率的时钟频率下。每两次采样之后,向主控电路板输出一次数字信号。这里可以看到 波形图 。
模拟电路部分的电路图 (责任编辑:admin) |
























