最好的电子音响科技diy制作网站

haoDIY_音响电子电脑科技DIY小制作发明

当前位置: 主页 > 电子DIY > led显示/灯光 > led显示 >

用废旧物品拼凑一座led数码钟(3)

时间:2013-03-31 17:20来源:www.crystalradio.cn 作者:tianxiang 点击:
二极管译码板制作.jpg (87.21 KB, 下载次数: 3) 二极管译码电路.jpg (34.8 KB, 下载次数: 4) U型槽 反光铝箔 LED.JPG (58.62 KB, 下载次数: 4) 热熔胶填U型槽连接两端LED.JPG (60.79 KB, 下载次数: 3) LED大数码笔

二极管译码板制作.jpg (87.21 KB, 下载次数: 3)

 

用废旧物品拼凑一座led数码钟

 

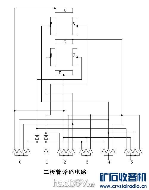
二极管译码电路.jpg (34.8 KB, 下载次数: 4)

 

用废旧物品拼凑一座led数码钟

U型槽 反光铝箔 LED.JPG (58.62 KB, 下载次数: 4)

 

用废旧物品拼凑一座led数码钟

 

热熔胶填U型槽连接两端LED.JPG (60.79 KB, 下载次数: 3)

 

用废旧物品拼凑一座led数码钟

 

LED大数码笔段.JPG (87.72 KB, 下载次数: 3)

 

用废旧物品拼凑一座led数码钟

 

打孔完成.JPG (72.84 KB, 下载次数: 3)

  (责任编辑:admin)

织梦二维码生成器
顶一下
(0)
0%
踩一下
(1)
100%
相关文章
------分隔线----------------------------
发表评论
请自觉遵守互联网相关的政策法规,严禁发布色情、暴力、反动的言论。
评价:
表情:
用户名: 验证码:点击我更换图片
栏目列表
推荐内容