最近试装过几个晶体管信号发生器,得到了一些关于信号发生器的初步体验。据说电子管信号发生器稳定可靠,手头又有富裕的零件,于是决定试装一个。这次试装的电路,参照《无线电》1963年第5期“五用测量仪”和《业余无线电测量仪器》491页的“多功能综合测试仪”。相对来说,电子管仪器的“基础工程”要稍微复杂一点,打孔装管座,装变压器,装空气双联,装电位器等等,刚刚把基础工作做的有点样子了,准备进入焊接电路阶段。本来想用铝型材将仪器做得更漂亮一些的,一时买不到10厘米宽的铝型材(能马上买到的76毫米又觉得偏小),又考虑到电路可能还要调整,也就决定先做成现在这个样子
-
meitu 00018.jpg (36.83 KB, 下载次数: 53)

-
-
meitu 00019.jpg (34.96 KB, 下载次数: 45)

-
-
meitu 00020.jpg (36.52 KB, 下载次数: 48)

-
-
meitu 00021.jpg (36.95 KB, 下载次数: 40)

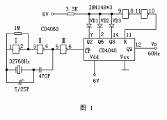
初步打算按自己拼凑的以下电路制作,部份电路和元件参数会在制作中调整
6A2_LC谐振测试器电路图.jpeg (82.11 KB, 下载次数: 96)

6N3_LC谐振测试器电路图.jpeg (92.2 KB, 下载次数: 91)
(责任编辑:admin) |