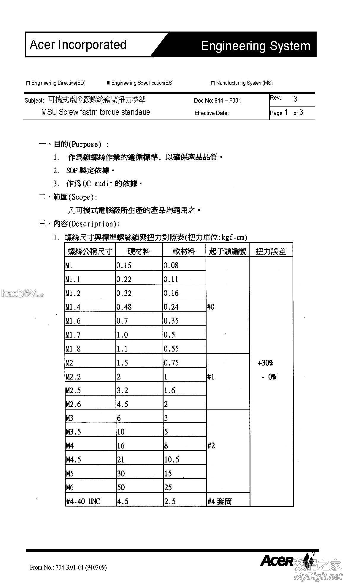
![]() 安装好的样子 ![]() 换向器需要固定,所以打凹孔 ![]() 柄上打孔后用螺丝固定,后切断螺丝,锯出一字槽 ![]() 内部换向圈,通过螺丝和外部圈同步转动,由于槽的限制,所以只能旋转180度 ![]() 电刷部分,蓝色为电刷座,铜圈为转向导圈 ![]() 一半一半的原则 ![]() 安装好的样子 ![]() 电刷采用录音机里的行程开关 ![]() 拆下电刷 ![]() 打磨后熬造型,用烙铁加热后嵌入 ![]() 两片都装好的样子 ![]() 装入后的样子 ![]() 下面是刀头部分选择南旗送的小螺丝刀头 ![]() 使用迷你钻夹头做批头夹头 ![]() 改造合适 ![]() 两者由于直径悬殊需要增加直径 ![]() 先热缩管,后笔芯 ![]() 夹头内部用易拉罐增厚 ![]() 套上去刚刚好 ![]() 锁紧螺丝需要锯短 ![]() 装好后的样子 ![]() 和手柄比一下,内部的安装摸样 ![]() 电池焊好导线 ![]() 全部线路走法 ![]() 手柄加工凹槽,先划线 ![]() 锉刀打磨 ![]() 砂纸细磨后抛光 ![]() 打电机固定螺丝孔 ![]() 焊电池和换向器 ![]() 焊好后的样子 ![]() 组装内部 ![]() 马达导线从换向器中心穿出 ![]() 焊接换向电刷 ![]() 安装后的换向器 ![]() 尾座螺丝切短 ![]() 开槽 ![]() 组装后齐平 ![]() 全部组装好后固定电机螺丝 ![]() 完工!尾部之后处理 ![]() 换向器原理图 ![]() 各规格螺丝所需扭矩 ![]() 马达规格 ![]() 马达参数 ![]() 全剧终,因为图片太多,筛选部分上传,如有不明白之处请谅解,欢迎提问! 下面是之前设计的图纸,由于没有车床等设备,原设计流产 原设计内部结构,大小是和数码之家螺丝刀1:1的 ![]() 筒体部分
(责任编辑:admin) |















































(责任编辑:admin)














