自制自制防盗器看门狗
时间:2012-12-31 16:06 来源:网络 作者:网络整理 点击:次
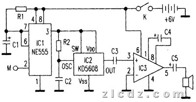
本文先容一款浅显家庭防盗看门狗电路(见下图)。
时基电路ne555和r1、cl构成单稳态触发器。平常,c1放完电,ne555的第③脚输出低电平,狗吠声集成电路kd5608不事变。m为触摸片,可用门锁的锁体取代。当有不速之客触及门锁时,人体感到的杂散电压浸染于ne555的第②脚,单稳态电路被触发翻转,ne555从第③脚输出高电平,狗吠声集成电路kd5608得电事变,向音频功率放大器lm386的第③脚输出狗吠声音频信号,lm386将其放大后,敦促扬声器发出清脆的狗吠声,使不速之客撤退。从此,电源经rl向c1充电,当c1上电压充到高于三分之二电源电压时,单稳态触发器再次翻转,icl第③脚输出低电平,狗吠声集成电路kd5608失电,扬声器遏制发声。如嫌白日自家人开锁时狗吠声太喧华,可在夜晚时才按下k,使电路只起夜间防盗浸染。 (责任编辑:admin) |
- 上一篇:diy声光报警器的制作
- 下一篇:制作红外线探测报警器
