自制旧手机制作的远程遥控器和防盗报警器
时间:2012-12-31 16:07 来源:网络 作者:网络整理 点击:次
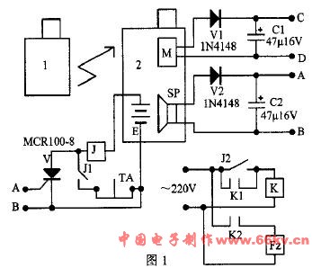
时下在都市家庭手机已很广泛,险些每人一部,并且新机型日新月异,手机更新换代较量快,家庭裁减下来的旧手机弃之痛惜。可否操作旧手机改革成可用的其余家庭器具呢?谜底是必定的。今朝联通和移动通讯公司都推出了公共经济卡,这种卡对被叫手机而言,接听全部来电均不收费且座机费也很优惠。我们就操作此卡做上述装置的传前言质,来完成建造。笔者家中有两部裁减下来的爱立信GH398和波导RC928手机,别离改制了上述两个装置,经行使结果精采,现先容如下: 长途家电遥控器 电路见图1。由图1可以看出,主叫手机1或办公室的电话机拨打被叫手机2,被叫手机振铃,我们就取它的振铃信号作为本电路的启动信号。这个振铃信号既可取自被叫手机的听筒喇叭SP两头A、B点,又可取自手机中振动电机M的电源两头C、D点,本文取自听筒喇叭两头。当被叫手机振铃后,经二极管V2整流电容C2滤波后驱动可控硅V导通,继电器J得电吸合,它的一对常开接点J1闭合,实现自保持。同时另一对常开接点J2闭合,接通交换打仗器线圈220V电源,打仗器K得电吸合,其常开触头K1闭合,实现自保持,同时另一对常开触头K2闭合,接通家用电器F2电源,实现被遥控家电事变。增进打仗器的目标是可遥控大功率的家电。如电取温顺器、电饭锅、空调等。这些电器在放工前15分钟遥控接通电源,回家后就可以行使,节减午休时刻。若遥控的是小功率的家电,如电灯等,则不必要加装交换打仗器,直接用本电路的继电器常开接点J2即可。要想割断被遥控家电的电源,只要按下本电路的遏制按钮TA电路即可复位。
由于本电路取的是手机的振铃信号,以是只要被叫手机振铃几秒钟.就可以触发可控硅V导通,此时主叫手机可以封锁,遏制呼唤,被叫手机并不接听,故主叫和被叫手机两边都不收费。本电路的电源既可取自手机中的电池E,也可以用手机充电器做电源。假如用手机电池做电路电源时,电池电压应是6V的,因电路继电器是6V的,不然用充电器做电源。 防盗报警器 电路见图2。该电路由红外探测器HW、手机号码确认电路(J2、C1)及拨号电路(NE555、J3等)构成。事先把本身随身携带的手机号码存入到被改革的手机中。家中无人时,闭合电路的电源开关S,12V直流电源加到红外探测器上,探测器得电事变,进入等待状态。当家中有暴徒进入时,红外线探测器启动,内部的继电器常开接点J1闭合,接通本电路的事变电源,继电器J2瞬时闭合,接通手机上的YES键(确认和拨号键)。在电容C1的浸染下,约1秒钟J2又断开,相等于人手按一下该键,确认所存号码。尔后跟着电容C2的充电电压逐渐升高,IC1的2、6脚电平逐渐低落,当低落到IC1的翻转电平常,电路翻转,3脚输出高电平,继电器J3闭合,接通YES键,被改革手机拨出已存号码。这个时刻约2秒(延时时刻),可通过电位器RW调解。此时在本身的手机上即表现出家中来电号码,以此号码确认有人进入家中,该当即采纳防御法子。当本身的手机表现出来电号码后,按封锁键NO,并不接听,这样两边手机既起到报警浸染又不收费。
改装及元器件声名 对图1电路,只需在手机听筒四面吻合的位置钻孔焊出两根线和本电路相接即可。对图2电路只需在手机的YES键四面钻孔,从手机电路板上引出两根线并接在本电路继电器J2、J3的常开接点上即可。两图中手机和电路的毗连最好用接插件,首要是利便安装。最后把上述电路部门放在一个吻合的盒子里。电路的元器件参数在图中已标明,个中6V继电器选有两对常开接点的任何一种,12V继电器选只有一对常开接点的即可,交换打仗器选电压220V、电流25A的任何一种,电源变压器选5W的,红外探测器可选广东中山达华电子厂出产的,也可以选广西桂林实达邮购部的。上述两种电路接线简朴,无须调试,一装即成,有乐趣的伴侣不妨一试。 (责任编辑:admin) |

