自制触摸报警器
时间:2012-12-31 16:06 来源:网络 作者:网络整理 点击:次
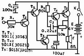
在一些伤害场所,我们不但愿有人触及,一旦有人碰到了,顿时报警,提示人们引起留意。图2-4-1就是这个装置的电道理图。当人体的感到信号不警惕遇到P时,被T1、T2放大,使T3导通,由T4、T5构成的音频振荡器起振,扬声器(喇叭)发出报警声。图2-4-2是电路板。
图 2-4-1 图 2-4-2
认一认
名称 电路标记 实物图 备注
电阻
电容
电解电容
引线有正负极性
三极管
三根引线不能交流行使
扬声器
可变电阻
干电池
开关
测一测
1.测电阻(R1、R2)。要领见图2-4-3。万用表置Ω档×1K处,调零。
R1阻值约30K,R2阻值约100K。
2.测可变电阻(W)。两根表棒测W的1、3端时,阻值约10K,测1、2端或2、3端时,旋转w动片阻值会在0~10K之间逐步变革。要领见图2-4-4。 (责任编辑:admin) |
- 上一篇:diy构思奇特的摩托车手机报警器
- 下一篇:自制敲击振动震动报警器

