自制不易破坏的报警器
时间:2012-12-31 16:10 来源:网络 作者:网络整理 点击:次
许多住民楼都外附蕴藏室,因为蕴藏室和居室不在一处,因此若产生蕴藏室被撬、室内摩托车被盗的环境,主人其时还不知晓。
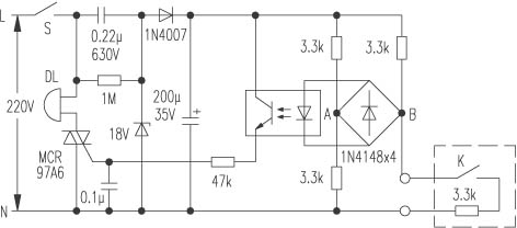
报警器电路见图。图中检测电路回收电阻桥,蕴藏室门开关回收磁控开关,门关接通,门开断开,蕴藏室门开关与电桥的一个电阻组成电桥的一臂,安装在蕴藏室内。这样,若门被撬开,则磁控开关断开;又若外线被短接可能断路,无论哪种环境,城市使桥路失去均衡,A、B两头电压经整流桥的1N4148使光耦事变,从而使双向可控硅导通,电铃发出报警信号。 |
- 上一篇:自制锁控智能型阳台门窗防盗铃器
- 下一篇:自制电话线路防盗报警器
