|  
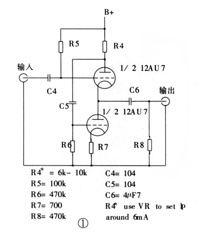
 近来放假没有外出,趁着有空便大过发烧瘾,亲自动手做了一部Buffer(缓冲级),慢火煲了数天,其声音一天比一天美丽,觉得非常值得向各位发烧读者介绍和分享一下。这个缓冲级的线路是用真空管12AU7A作三极A类扩流缓冲的,无负反馈,如图1所示。本人觉得其音色在多方面都比Marantz 7的Buffer为佳,不过Marantz 7用电子管每声道只用半只,  而这个线路每声道用一只12AU7,左右独立工作。
 输入级用一只金属膜电容交连接入12AU7的第一栅极,该屏极由另一只PP电容连至12AU7的第二栅极,使其第二组triode已成为上级的电流自动调节系统,输出取自第一组阴极与第二组屏极交连处,再经一只2.2μFPP电容连到输出插座。电阻R5的设置是在于把整线路设备于A类工作状态,即使没有信号或小信号输入时,都有一个固定屏流通过,使音色来得顺滑甜美,温暖自然。
 
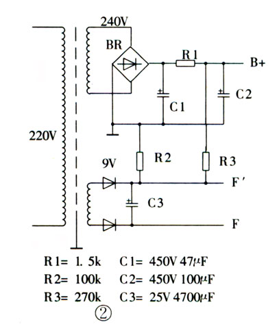
  早阵子去电子管铺,店员介绍一只北京电子管厂于60至70年代生产的钢骨双云母片旧装新管12AU7,用眼细看内部手工精细,包括极片、接脚、灯丝焊接和水银电镀都有上等工艺之感,价钱很便宜,还有测试配对服务。我一共买了3只。有一只是将用于另一部制作;12AU7加12BZ7加级间升压变压器加211的sinRle—endeddirectheatingtriode后级作头关的,完工后希望来日有机会在此与各位分享。缓冲级的高压用了降压值有250V左右的π形滤波电源,灯丝为直流供电,如图2所示。
 
  
 试机
 
 最后试机,测试的器材部分是本人的制作;组合是以Resolution  Quantum解码推无源四层电阻搭棚前级,推电池供电的电子分音器,再推三部半电池供电的纯A类后级直驱扬声器,声箱内并无传统式LC分音器,声音算得上平均中肯。把焊好后的缓冲器接人解码器和前级之间播唱,发觉中高频分量不足。于是把这缓冲器用调谐器作48小时长煲,输出接上47kΩ假负载。两天后接回组合当中,先来一只萧邦《第一钢协》Adagio,Schindler’sList《第六》和十二段,试后场人声合唱,Evita的 《Lament》试前场女声和吉他,Engelbert试男声…… 再试下去就已经并非试机,而是陶醉地欣赏音乐, 真正的投入了音乐,虽然不是现场演奏的音乐,却真真正正地令人投 入当中!
 本来这是已经很好的器材,再加上了电子管Buffer修饰过的表现,我的Resolution  Quantum加上全套组合都升级了,它从未如此过!
 玩音响不要停下来,越玩越有味,一停就恐怕玩完了。本人将会有两项升级方法:一、高压由π形改为6X4电子管整流供电。二、换上更优质电子管,Amperex 12AU7、RCA光头、Mullard又如何呢?音色能否更通透,更秀丽呢?
 (责任编辑:admin)
 |