haoDIY创好电子音响电脑科技DIY小制作发明移动版

主页 > 音响DIY > 胆机DIY > 其它综合DIY >

电子管6E2指示(猫眼)调谐 频谱 电平指示电路(2)


栅极电路电阻:3MΩ
荧屏暗区长度:21mm/0mm/一2mm


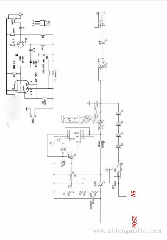
电路图:

电子管6E2指示(猫眼)调谐 频谱 电平指示电路(2)


看下图片:


电子管6E2指示(猫眼)调谐 频谱 电平指示电路(2)

电子管6E2指示(猫眼)调谐 频谱 电平指示电路(2)
电子管6E2指示(猫眼)调谐 频谱 电平指示电路(2)
电子管6E2指示(猫眼)调谐 频谱 电平指示电路(2)
电子管6E2指示(猫眼)调谐 频谱 电平指示电路(2)
电子管6E2指示(猫眼)调谐 频谱 电平指示电路(2)
电子管6E2指示(猫眼)调谐 频谱 电平指示电路(2)
电子管6E2指示(猫眼)调谐 频谱 电平指示电路(2)
电子管6E2指示(猫眼)调谐 频谱 电平指示电路(2)
电子管6E2指示(猫眼)调谐 频谱 电平指示电路(2)

电子管6E2指示(猫眼)调谐 频谱 电平指示电路(2)
12v瓶3.7v锂池通用led指示计量显示器显示板屏测试仪
¥1.50
已售:140

评论(19)

电子管6E2指示(猫眼)调谐 频谱 电平指示电路(2)
51单片机开发学习板led灯音乐频谱指示温度计显示仪器diy套件
¥13.00
已售:28

评论(12)

电子管6E2指示(猫眼)调谐 频谱 电平指示电路(2)
声控LED旋律灯指示闪光灯 DIY子科技制作 pcb套件散件成品
¥1.50
已售:13

评论(32)

电子管6E2指示(猫眼)调谐 频谱 电平指示电路(2)
音频led指示灯器路 子diy制作 PCB板 套件散件 成品
¥1.50
已售:3

评论(30)


(责任编辑:admin)
haoDIY创好电子 版权所有,电话微信13977534587