东芝29G9UXC,小鬼子原厂的,当年买它用了9千多,现在送人都要贴钱,
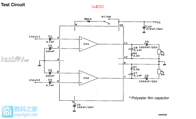
东芝29G9UXC,小鬼子原厂的,当年买它用了9千多,现在送人都要贴钱, 设想: 1:改成矿石收音机 2:太阳能收音机 3:电脑音箱,里面两棵LA4282可利用。 4:液晶时钟 5:车机 此机已拆,各位大侠想想还能改什么,欢迎拍砖。 今天没事拆出两片LA4282,网上查了资料,发上来备份。 ![]() ![]() ![]() ![]() ![]() ![]() (责任编辑:admin) |
东芝29G9UXC,小鬼子原厂的,当年买它用了9千多,现在送人都要贴钱,
东芝29G9UXC,小鬼子原厂的,当年买它用了9千多,现在送人都要贴钱, 设想: 1:改成矿石收音机 2:太阳能收音机 3:电脑音箱,里面两棵LA4282可利用。 4:液晶时钟 5:车机 此机已拆,各位大侠想想还能改什么,欢迎拍砖。 今天没事拆出两片LA4282,网上查了资料,发上来备份。 ![]() ![]() ![]() ![]() ![]() ![]() (责任编辑:admin) |
成品镇楼!! (小米电子时钟,233~~)——————————————————————...
要做各种颜色的火焰是很简单是事情,其中最明亮最漂亮的火焰之一就是绿色火焰!看怎样...
没有磁性的指南针——中学生科技小制作 极客迷(www.geekfans.com) 制作指南针是小制...
居里温度计,用温度驾驭磁性 ——极客迷(www.geekfans.com) 本文藉由改良式的居里温...
自制几何模型,领略数学之美 ——极客迷(www.geekfans.com) 数学在我们眼里经常是枯...
iPhone 3G和3GS的摄像头拍微距很不给力,iPhone4有了5倍数码变焦以后才解决了这个问题...
制作手机万能红外遥控器
更新:2017-07-05
R型变压器改胆电源牛,成功
更新:2017-06-01
用DS3231模块DIY一个数码管时钟
更新:2017-06-08
『ROSE DIY』 给小U盘做个壳。
更新:2017-07-11