|
虽然今年是暖冬,但还是有冷的时候。房间里用来取暖的廉价电热取暖器(用了好几年了)用起来总是不太满意,忍耐了好几年之后决定不再忍受,今天把它改了。 先来看个外观,这是改好之后拍的,现在右下角有3个开关(1个小一点的黑色,2个大一些的红色)。改造之前只有2个开关(2个大一些的红色)。黑色开关是后加的
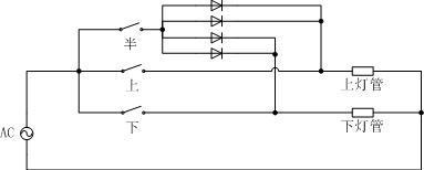
简单画了下改造前的电路图,每条灯管的功率是400W,2条合计800W
改造前的问题是只能通过两个开关对2条灯管分别控制,可以开其中一条也可以两条全开。本来这个逻辑上没有问题,但是实际使用中发现如果只开其中1条灯管的取暖/照射面积较小,照不到的地方还是觉得冷,照到的地方又可能由于功率太大而觉得太热。开2条灯管的时候取暖/照射面积是足够了,但是很多时候又觉得太热了。 总结起来就是功率调节还是不够多样化,不能满足实际使用中的复杂情况需要。 其实昨天就在考虑怎么改了,想过用可控硅无极调节,觉得成本高了(混数码之家的我对我的宝贝元器件/模块抠门的要死,舍不得)。而且无法分别控制上下两管的功耗,除非用两个可控硅,那样的话成本太高了。要知道我这取暖器买来才30块不到,还已经用了好多年,总不可能让改造成本高于这个取暖器的价格吧。 于是想到了最简单的二极管调功率(功率减半)的方式。不得不说这是个简单好用的方法,在很多地方很实用。这里也是。 唯一担心的是这种红外取暖器在灯管功率减半之后取暖效果是否会大大折扣。 于是中间通过一个外部的简易电路对加二极管之后的实际使用情况做了试验,试验表明在灯管功率减半(每根200W)的情况下任然可以取暖,并且在不是太冷的时候正好合适。 于是在原来电路的基础上设计了新的电路,其中新加的开关“半”就是黑色的小开关,二极管为4个1N4007(这玩意儿手上多的是,而且不值钱,不心疼)。实际上每根灯管用一个1N4007就够用了,但是为了保留余量防止出问题还要维修就每根灯管用了2个1N4007。 想要仿制的坛友请特别注意4个1N4007的方向,4个二极管朝向必须一致,不能有倒过来的。
最后是改造后的效果赏析 开关:“半”关,“上”开,“下”关。灯管:上灯管全功率400W,下灯管关。这个和改造前一样的
开关:“半”关,“上”关,“下”开。灯管:上灯管关,下灯管全功率400W。这个和改造前一样的
开关:“半”开,“上”开,“下”开。灯管:上灯管全功率400W,下灯管全功率400W。这个和改造前一样的
开关:“半”开,“上”关,“下”关。灯管:上灯管半功率200W,下灯管半功率200W。改造后新增状态
开关:“半”开,“上”开,“下”关。灯管:上灯管全功率400W,下灯管半功率200W。改造后新增状态
开关:“半”开,“上”关,“下”开。灯管:上灯管半功率200W,下灯管全功率400W。改造后新增状态
开关:“半”关,“上”关,“下”关。灯管:上灯管关闭,下灯管关闭。
改造后多了几个状态,实用许多。不过估计大部分时候会用双灯管半功率的状态,目前用着挺爽。 (责任编辑:admin) |
























