|
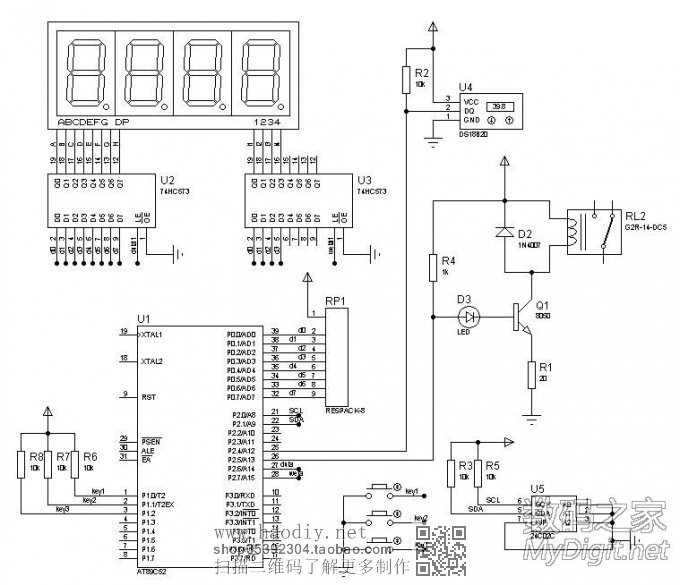
先是设计电路图,采用元件: 89s52,74hc573,4位数码管,24c02,继电器,DS18B20,按键3个。 功能一,通过18b20采集温度,对继电器实现控制。 功能二,不采集温度,按照设定的继电器闭合时间和断开时间循环执行。 特色:实现用3个按键来设定个十百千位的数字,一个按键是+1键,一个按键是移位键,一个按键是确认键。 设定三个数字,模式、温度(或开时间)、倒计时时间(或关时间),然后存储到24C02,再读取三个数字执行。 按键设定有时间限制,2分钟内如果没有设定任何数字,程序将跳至读取24C02执行,为了防止中途断电单片机复位后无人操作。
这是开始组装和试验,分成了好几块小板。
已经能够正常显示了,最开始使用的矩阵键盘来设定,后来觉得太占地方,改成了3个按键
采集温度正常了。
试验完后,觉得好几块板子太罗嗦,把它集成到一块板子上
焊接线用的是网线,后来才知道网线不太好,改为铜线
本着DIY的精神,找了一个皮带的包装盒放进去,电源用的是废交换机的电源.
这个盒子的盖子是透明的,刚好可以看数码管显示内容。 前面忘记说了,显示内容是:当前温度和倒计时剩余时间轮流显示。 温度超过了或者时间到了就断开继电器。
这是我的试验,用他来控制电饭煲,后来发现用电饭煲做醪糟不合适,酸的很。
决定重新找一个加热设施,一个纸箱子,周围放上泡沫板保温,记下的加热器件是买来的电热毯丝,发热比较温和,功率也不是很高。
温控器就放在上面,18B20的连线长一点,放到箱子里面的支架部位测温度。
开始做酸奶了,酸奶设定的是40度480分钟,醪糟的话27度,两天。
酸奶时间到了,我现在还有个想法,如果做成温度多点采集,可以采集很多位置,就可以开个醪糟或者酸奶工厂了。O(∩_∩)O哈哈~ 有点异想天开啊。
看看做好的样子,还行,就是现在的牛奶掺水太多,做出来上面有不少水分。
吃起来很甜,不错。
原来买的酸奶机可以束之高阁了,呵呵,光荣下岗。 ![]() 这个温控器已经做好好几个月了。我一直在想还要实现两个功能:一个是DS18B20的多点采集,实现1机控制多个点。再一个是实现在意外断电之前将设定的值和已经倒计时的剩余时间存入24C02,来电以后继续往下走,彻底实现无人值守。 不过面临几个问题:18B20采集温度对时序要求很严格,多点采集这个时序很难控制,还有中断在里面对时序也是个考验。 对于断电前存储数值还有个难点,就是在电压下降的过程中就实现存储,电压比较和存储时间是个难题。 (责任编辑:admin) |































