|
家里钟表一般都在高处,换电池麻烦。怎么能延长电池时间寿命,就加个太阳能电池吧。 制作好如下图
没影响美观吧,太阳能电池在哪了?
都用两年了,还没换过电池。 哪来的太阳能电池?很好找的。
拆下后别忘了串个二极管在并在石英钟电池两端。
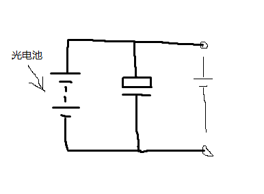
电路如下图
(责任编辑:admin)![]() 感谢大家的支持,很多创意都很新颖,我也想过用电容代替电池的问题。 关键是石英钟的耗电电流是脉动电流,很难用万用表定量测出。如果能测出的话就能依据I=2πfCU准确计算出24小时的耗电量,相应的电容容量也可确定。那样就可以用电容代替电池,也就成了永动钟 ![]() |
























