|
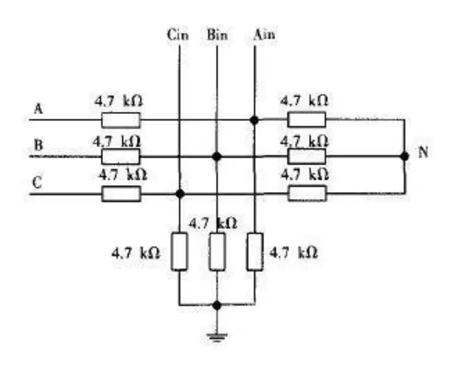
else { bldc_dev.motor_state=RUN; break; } } Phase++; Phase %= 6; BLDC_PHASE_CHANGE(Step[Phase]); // } 说到感应电动势很多人不明白,先来说说电流,电机线圈的内阻通常很小比如0.2欧,电机的电压比如10v,按理来说电流100a为何电机不烧哪? 其实电机线圈在通电的一瞬间并不是完全导通的,因为有反向电动感应势的存在,可能有-9.8v。10v-9.8v = 0.2v /0.2 = 1A.这样算起来电流还合理。 在说说那个初中学习的法拉第 ,当线圈切割磁场时会产生感应电动势,根据右手定则。。。。。。。。不懂的自行上网搜。 ![]() 如下图当ac相在通电12v的情况下,静止状态下正中间中性点理论为6v,但是转起来就不一定了,因为b相实际是在切割磁场,是会产生电动势的。而电动势的大小正负取决与当前在磁场ns极的位置。当切割ns时为-1,切割sn时为1,平行时为0. ![]() 利用这一特性不就刚好可以获得转子的位置吗? 首先检测电路网上已经一大很成熟了。 如下图,当然很多时候需要在4.7k对地的电阻上并一个100nf的电容,做一个低通滤波。也可以在软件中做滤波处理。 ![]() 我们所要做的就是检测这个悬浮相的电动势过零点。 网上常用的两种方法:1 单片机ad采集;2 比较器比较。我选择了比较器lm339价格已经很便宜了,在高速上比ad有明显优势,只要比较cin bin ain 与n点的压差即可获得零点。 ![]() 理想很完美,现实很残酷,实际中根本得不到这么完美的波形。 如下图,这个已经是比较好的了,还是有很多毛刺。这个给单片机中断,肯定一大堆问题,严重的换错相烧mos管。 ![]() ![]() 为什么会有这些毛刺哪,有些还挺有规律。 参考了网上的介绍,这中间还有一个叫消磁的东西。 ![]() 原理不深究了,反正时间很短,软件上做一个滤波消掉就可以了。 进入中断函数后做如下处理 ,定时器的中断我暂时用的20us。 const unsigned int FilterNums = 0xff; static unsigned int nums =0; static unsigned int Queue_UStatus =0; static unsigned int Queue_VStatus =0; static unsigned int Queue_WStatus =0; static unsigned char EMF_SVal =0; unsigned char Filter_U_Status=0; unsigned char Filter_V_Status=0; unsigned char Filter_W_Status=0; unsigned char EMF_Val=0; unsigned int status_h; unsigned int status_l; unsigned int Delay30deg =0; /* 清除中断标志位 */ if ( TIM_GetITStatus(TIM3 , TIM_IT_Update) != RESET ) { TIM_ClearITPendingBit(TIM3 , TIM_FLAG_Update); ![]() ![]() 至于网上说检测到过零点后,延时30度换相,对电源效率有影响。我试了下,好像没什么明显的差异。也有人说在大功率的电机下不延时反而更平滑等等。真实怎样有待各位实际实验了。 最后秀几张转起来的照片 ![]() ![]() 硬盘电机 无感模式 ![]() 电动工具电机 有感模式 ![]() 加装散热片的样子 (责任编辑:admin) |


























