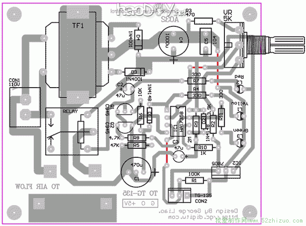
在火灾发生之前,一般都会产生大量的烟雾。因此如果能够探测到烟雾,就可以对火灾进行预警。电子烟雾探测器就是起到这个作用的,公共场合要求必须安装这种设备。下面我们介绍一下电子烟雾探测器的电路原理和制作方法。![]() 电子烟雾探测器电路原理图 ![]() 烟雾探测器电路板 ![]() TG-135烟雾传感器 电路原理: 1.电源电路: 当接上市电后,220V的市电经过T1降压成10V,后经过D3D4整流,C4滤波后变成14V的直流电给电路供电,未经稳压的电源供应给IC1及继电器驱动电路,经过IC2稳压后的5V电压供应给SENSOR电路。 2.预热电路: TG-135需要1-2分钟的预热时间才能正常工作。预热电路则由IC1-b电路提供,当开机时IC1-b第6脚输出5V,而第5脚电压则是VCC经R9向C3充电,电压慢慢上升,经过1分钟左右后电压超过第6脚,导致IC1-b输出高电位,由L-H绿灯亮,TR2因此获得正常的正向偏压,TR1与TR2串联,TR2开后TR1才能工作,每次开机时间C3的充电电压经过D2快速的放电。所以每次开机后再重新开启都需要经过1-2分钟的时间等待,绿灯才能亮。 3.感应启动电路: 当TG-135预热后R1会降低一定的电压值,将大概0.3-2V左右。视SENSOR而定。当绿灯亮时则下个步骤调整VR1,目的是要调整R1的静态直流电压,调VR1使IC1-a第2脚电压稍微高于第3脚电压0.2V左右。这时候TG-135感应灵敏度最佳。此时L1是不亮的状态,L1的意义是IC1-a的临界点。 当屋内的空气品质差时,如抽烟,IC1-a的第3脚电压上升L1亮,第1脚呈H状态,H电压经过D1向C2充电,TR1导通,继电器立刻启动,接通220V电源,所接的排风扇工作,屋内的废气被排出屋外。 当L1灭时,C1沿R5放电。TR1\TR2仍然工作一段时间后才停止,亦就是绿灯灭时,经过一段时间红灯才能跟着灭。犹如瞬间停电大楼发电机都会发电5分钟后才会停止。如需增加延时时间,则增加C2的值即可。 4.调试要求: 开机-绿灯亮-调VR1 L1亮-灭(临界点)-吹烟雾至SENSOR-L1亮L2亮-L1灭-几分钟后-L2灭。 5.初学者请先在面包板上实验成功后,再制作到电路板上。 ![]() 烟雾探测器PCB图 ![]() 烟雾探测器PCB线路图 (责任编辑:admin) |





















