最好的电子音响科技diy制作网站

haoDIY_音响电子电脑科技DIY小制作发明

当前位置: 主页 > 电子DIY > 工具仪表 > 电动机械 >

DIY制作 数控雕刻机 超低成本(2)

时间:2013-03-07 14:44来源:www.crystalradio.cn 作者:bd2qbw 点击:
机械结构图照片,详细大小尺寸则根据照片和您能找到的材料来确定。 底板与y轴方向滑动的任务台,x轴的滑台及z轴滑台都是驳回1.5毫米厚的冷轧钢板在台钳上手工弯制,冷轧板在旧物回收站购得,A4纸大小两块10元。 做工
DIY制作 数控雕刻机 超低成本 
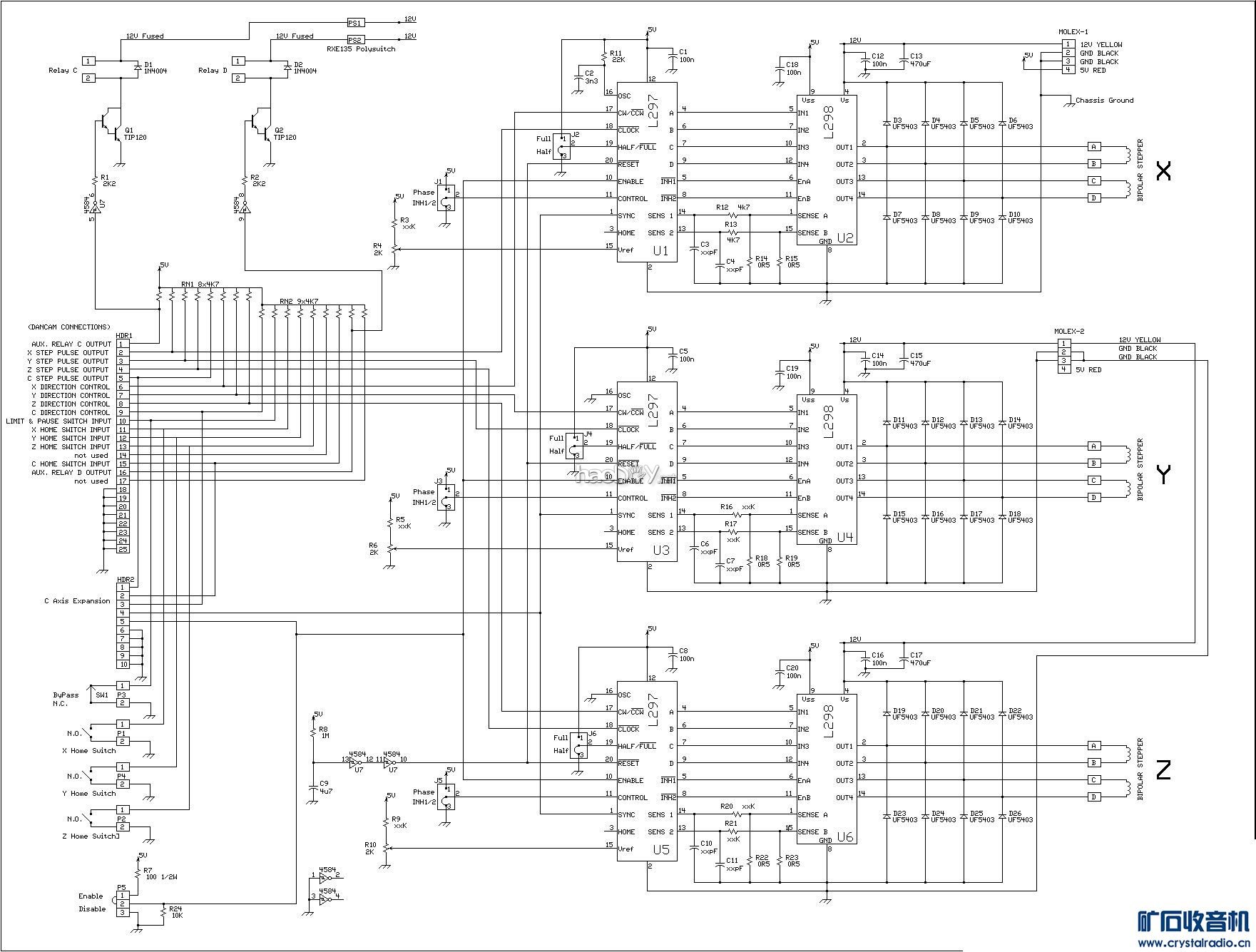
     机械结构图照片,详细大小尺寸则根据照片和您能找到的材料来确定。
  底板与y轴方向滑动的任务台,x轴的滑台及z轴滑台都是驳回1.5毫米厚的冷轧钢板在台钳上手工弯制,冷轧板在旧物回收站购得,A4纸大小两块10元。
  做工必定要横平竖直.尤其是每个方向的两根光扛要绝对的平行,这一点非常重要,它决议了制造的成败。
  步进电机及光扛是在卖旧电脑二手打印机的店铺淘来的,三只步进电机20元。直径8毫米长400毫米光扛四根10元。滑套是在五金店购置的黄铜软管衔接件,要选内经略小于滑杠直径的,再用手工铰刀将内经绞剐到精确的8毫米,不要有逛量,滑动时阻力要很小,必要时用金相砂纸抛光光轴。把滑套切成5毫米长的段,共12段再将它焊于滑台对应的孔中,要用氯化锌(俗称:坏水)做助焊剂保障焊接品质。装配时要认真滑台滑动时阻力小且分歧,切切!丝杆在五金店选用装修吊棚那种直径6毫米的长丝杆螺距是1毫米1米长的每根2元,螺帽与丝杠要配合好转动时阻力与间隙要小,使回差最小提高雕琢机的精度。雕琢机的驱动软件我习惯用KCAM4它有汉化版比较容易上手,且能对设计好的刀路图停止缩放。KCAM4的设置如图主要有端口引脚设置与任务台设置。引脚设置必定要与实践引脚分歧没有用的引脚空着
DIY制作 数控雕刻机 超低成本DIY制作 数控雕刻机 超低成本DIY制作 数控雕刻机 超低成本DIY制作 数控雕刻机 超低成本DIY制作 数控雕刻机 超低成本DIY制作 数控雕刻机 超低成本DIY制作 数控雕刻机 超低成本DIY制作 数控雕刻机 超低成本DIY制作 数控雕刻机 超低成本DIY制作 数控雕刻机 超低成本 (责任编辑:admin)
织梦二维码生成器
顶一下
(12)
66.7%
踩一下
(6)
33.3%
------分隔线----------------------------
发表评论
请自觉遵守互联网相关的政策法规,严禁发布色情、暴力、反动的言论。
评价:
表情:
用户名: 验证码:点击我更换图片
栏目列表
推荐内容