胆机的摩机技术
时间:2012-08-27 22:12来源:未知 作者:admin 点击:
次
倒相级的输入电子管的栅负压必须有6.5~10V,这是一个关键数据,直接影响整机的最大输出功率.不少产品咀机是达不到这个电压幅度的。由于本级与前一级是直流辋合,调整的难度颇大,因为要同时满足3个条件:Il2mA,
摩机是发烧生涯中最生动的一页,石机的摩机蔚然成风,而高贵又深邃的胆机,能摩否 ? 本文作一些探讨尝试,借以抛砖引玉。这里所指的摩机,包括摩蓝图,摩土炮,摩套件,摩成品机。
一、电子管的模式的选择
功率放大电子管以内部结构区别有三极管、束射四极管、五极管等三种,三极管的音色纯洁,听感非常好。著名的 300B , 2A3 等三极管的楚楚动人的音质,令人难以忘怀.但三极管的效率低,输出功率小,价格高等缺点限制了它的广泛应用。如今胆机音响应用得最广泛的是束射四极管和五极管,前者代表有 6L6(3(6P3P) 、 KT 家族, 807(FU-7) , FU29 等,后者的代表有 EL84(6P14) , EL34(6CA7) 。两者的内部结构不同,但外部原理接线是一样的,都可通用同一原理图.由于束射四极管和五极管的具有效率高,输出强劲优势,音质规规矩矩虽然不那么讨好,毕竟瑕不遮玉,在现代胆机中占厂统治地位。
电子管有个难能可贵的性格就是它的变身术。把束射四极管或五极管的第二栅 ( 帘栅 ) 连接阳极,它就变成了三极管,无论在内阻、失真、输入输出特性曲线等电气指标乃至音色都逼近正宗三极管。例如久负盛名的威廉逊放大器,就是把束射四极管的 KT66 接成三极管使用,造就了一个流芳百世的音响里程碑.这种变身的作法当然不能避免三极管效率低、输出功率小的固有缺点.
鱼与熊掌不可兼得,一个折衷的方法是使放大器工作于两种状态之间,即在束射四极管或五极管的帘栅引入部分的阳极负反馈,就是所谓的超线性放大器。其做法是把帘栅接入输出变压器的某一抽头上守接受阳极的负反馈功能,抽头越靠阳极,放大电路就越接近三极管的性格,反之,就越还原四 ( 五 ) 管极的本色.与正统的束射管和五极管功放相比,超线性放大器失真度低,音质较舰,但输出功率下降丁 20 %左右.权衡得失,国内外大部分产品胆机都采用这个中庸之道的电路。
超线性放大器之灵魂——反馈系数 K 由输出变压器接帘栅极的抽头的圈敷比 n 决定。据称有一个最佳值,按一些国外资料介绍高内阻 ( 内阻在 50k 左右 ) 的功率管的 K 约为 5 %,低内阻 ( 约在 20k) ,功率管的 K 为 18 %左右。不过对于我们手头的功率管,由于国籍年代产地牌子批次都不同, K 值是否千人一面就很难说。有金耳朵的发烧友在自绕输出变压器时不妨多抽一两个头,以实践来检验真理。输出变压器抽头的圈效比是反馈系数的平方根, 即 n :√ K ,从 B+ 入口线头算起.
束射四极管和五极管放大电路还有一个改良模式是帘栅稳压放大器,也是一个著名的 Hi-Fi 功放电路.帘栅有与阳极相同的高直流电压,又被称为第二阳极,在 AB 类推挽放大器中帘栅电流随着信号的变化,变化幅度达十几毫安甚至更多,故其高压电源的内阻稍大 也会影响帘栅电压的稳定,而帘栅对阳极来说又是一个控制栅极,其电压对阳极电流有重大的影响.不稳定的帘栅电压是属于负反馈性质的,它削弱了阳极电流的速率和力度。因此为帘栅配备稳 压电源,对改善电路整体襄质有立杆见影之效,等效于全放大器的工作电源稳压,使放大器的输出功率增加、力度强劲、后劲充沛,失真降低。
帘栅稳压放大器原理见图 1 ,晶体管并联稳压电路给帘栅提供了一个稳定的、动态内阻极小的稳压源,晶体管 Q1 , Q2 分别为中功串和大功率的高反压 PNP 管 (BUceo 之 600V , Q2 的 PcM : 50W) ,其集电极接地,故可用金属机座当散热器, 4 只高压稳压二极管 ( 彩电用的 ) 串联提供约 375V 的稳压基准电压,稳压电阻 Rw 的敷值可参考普通并联稳压电路的方法计算.并联稳压电路的特点是,负载电流越小其稳压管的功耗就越大.用较大的功率输出管如 KT88 等计算结果表明,在极端的情况 ( 市电电压升到最高,输出功率最小即 帘橱电流最小时 ) 下,两声道共用的 Q2 最大耗散功率可达 20W ,故最好用双大功串管并联使用,井利用切换继电器的一组触头,在使用三板管时把稳压电路切开。
帘栅稳压放大器流行于早年的欧美苏各国,记得 80 年代初赵娜丽老师在《无线电与电视》上重新介绍。令当年的发烧友精神振奋,跃跃欲试,如今重出江湖,其表现是具有捧山倒海的力度,汹涌澎拜的质感,一扫胆机音质柔弱的—面.它与三极管放大器恰好成为胆机的两个动人极端 。
令胆机拥有双重性格一—美女的妩媚和英雄的嵌情。这正是摩机的魅力之处。如图 1 ,用继电器或双刀双搏开关就可以简便地实现三极管一帘栅稳压放大器的转换.用继电器控制更灵巧些,安装也不需破坏机座.可用强力胶粘贴,要注意的是:
1 .继电器应靠近输出变压器和功率电子管间安放,避免引起自激或影响音质 。
2 .继电器的触头对地存在 400V 直流加音频峰压的非常高的电压差,如果缮电器型号选择不当,就容易产生跳火击穿的事故。
二,放大器A与AB1的选择
按电子管的阳栅特性来区分,普通胆机音响有A、AB1两类工作性质.如图2.A类放大器的控制栅极电压(静态工作点Q)选定在其输入曲线直线部分的中点,放大器工作在栅压一阳流的线性范围之内.放大后的阳极信号波形无失真,但幅度较小,即功率转换效率低,不足30%.此外工作电流的平均值不变,即工作电流就是静态阳流。
AB1类放大器的栅极负偏压(静态工作点Q)选定在其输入曲线直线部分的偏负之处,放大后的阳极信号波形不对称,即非线性失真较大,但输出波形幅度大,即功率转换效率较高约40%。阳极电流随信号放大而变化.由于放大后的阳极信号波形不对称,必须采用推挽电路,使推挽的上下管的输出信号叠加而抵消波形失真.但推挽波形的交接处不能完全圆滑,始终存在一定的交越失真。
图2中比较可知,两类放大器的区别在于栅极工作点的选定一ABl类的栅极偏压更负些,而实际应用电路上两者井无差别.假如我们把ABl类推挽放大器的负偏压适当调高(正),它就转变为A类推挽放大器了.其表现是音质改善了,输出功率变低了。
A类放大器与ABI类放大器相比,音质优美淳和,听感较好。在石机功放中,纯A类是至尊无上的顶级器材,例如闻名于世的金嗓子A—100,其卓越的音质表现令昔天下发烧人士顶礼膜拜.但纯A石机的高热量,大重量比胆机有过之而无不及,其高昂的价格更是令人叹息.而胆机通过摩机以实现纯A工作状态是轻而易举的事.音质自不容说,工作稳定性可靠性也更胜一筹。
就单种电子管来说,A与ABl类的区别除了橱负压深浅外,屏压、屏流取向也有所不同,表中以6L6G及EL34推挽工作状态为例,可以看出A类放大是运用于相对的低电压、大电流的技术状态。
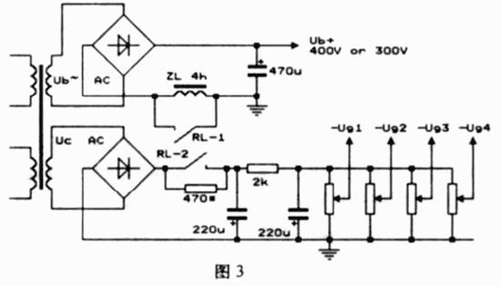
附表中各参敷是这些电子管的几组标准工作值(输出功率、失真度,负载阻抗诸因素衡量),我们摩机从AB1态转A态时,应该遵守这些参数取值的原则,即适当降低直流工作电压.切实可行的作法是把高压整流的滤波输入方式由电容输入改为电感输入,即用继电器控制串联入一个电感ZL,如图3.理论上高压从1.414 U1(U1高压整流的交流电压)变为 0.9U1,实际上可从1.25变到0.9, 即Ub+由400V降为300V,基本满足实际应用.直流电源中电感输入式比电容输入式的性能更好。
电感ZL可以用30—40W的电源变压器改造而成,——次侧和二次侧绕组串联使用,无须讲究精确的电感值.为了防止直流磁饱和,把变压器交叉对插的铁芯拆开,分为两部分迭齐重插.两半铁芯间垫一层o.2mm厚的纸.同时应该浸漆以消除振动噪音。
继电器的控制开关最好安装在面板上,方便A-ABl状态的自由灵活转换.A类放大的阳极电流校正调整电阻R的敷值选择原则是:
应使的阳流h符合或尽量靠近电子管A类工作时标准状态;
应使UaXIa<0.9Pa max,令功率管使用安全又延长寿命;
应使最大输出功事时阳流Ia基本稳定不变,这是A类放大的标志。
三点要求不能同时满足时应综合平衡求取.电子管的电压适应范围很广,手册上的标准工况是—个参考,摩家可根据自己的实际,在不违反上述三点原则的情况下灵活运用。
三、功放管型号的选择
在功率放大电子管中,音色的风韵各有千秋,一般认为,三极管纯洁,五板管清丽,束射四极管强劲.同类不同型号的管于音色也风味各异.幸好普通胆机用电子管如KT型,EL34、6P3P等,都是小八脚(GT或P)管座,其对应电路图功能和脚接线都相同,都具有相同的工作特性(阳极电压约400V左右的一组工作状况),灯丝参数相似(6.3V和1.5A左右的电流).负载阻抗都接近(5—6k),惟有最大屏牦功率及电流不同,因此只要重调静态屏流,就可以直接换用不同的功放电子管。
石机摩机最常用的笋法是换运放IC,但要使用烙铁大动干戈,而且一山不容二虎,不能同时有第二种IC的选择.胆机摩机就灵活多变,更换电子管就如插个电灯泡一样方便.有经济能力的发烧友不妨备份几套阻(典型是6P3P,EL34,KT88或6550,国货或洋货),即兴插换,轮番品尝各软胆色的韵味,其乐无穷。
以上工作模式、偏流形式、胆型号的三种选择,组合起来有2X 2X 3=12种玩法,可见阻机摩机内涵的深厚,变幻奉富,令人乐趣盎然.典型的 一种玩法是,欣赏声乐、轻音乐时用三极管+纯A类,而听流行音乐、交响乐。玩家庭影院时用五(四)极管+帘栅稳压放大器。
或许摩家会自喜;自己器材已三榜提名:胆+三极管+纯A类,岂非达到了登峰造极的境界了?然而一蹴而就的成功是不可能的,要攀登音质的新高峰,除了器材组合优良外,更重要的是在技术上对机器进行细致的调整磨合。
四、精调电子管的工作状况
新胆机工作100小时后,机内元件尤其是电子管进入了稳定状态,就必须进行工作技术状况的精细调整。
推挽功放管的配对,是影响整机失真度的关键.如图4,每个电子管的阴极都串有一个约10Ω的取样电阻R。,供以测量电子管的阴极电流Ix (Ix=阳流+帘栅流)用。第一步,调节每一个负偏压电位器R,使每只电子管的栅负压都相等,然后测量各胆的Ix,挑选I接近的胆两两配对,充当推挽的对管。第二步,在初步配对的基础上,针对Ix较大的电子管,加大该管的R。值,使两管的Ix完全相等.这时推挽电路就接近完全配对了。
以上调整的机理是Ix较大的电子管,其跨导S较大.如果采用凋各管栅负压令Ix相等的方法(即通常方法),则只能使两管的静态阳流相等,其放大系数及交流动态工作点的差异并不能纠正,失真依然一样大.如果对跨导大的那个管于加大负反馈量(加大其阴极电阻Rx),则两管在交流放大时也接近完全匹配,失真大幅度降低.调整后用失真仪实测,电路的非线性失真(开环时)有大幅度降低,接近电子管手册的标准敷值。
跨导S是电于管的重要指标,单位是mA/V,表示栅极电压对阳流的控制能力.业余条件下功串电子管的跨导也能精确测量获得:保持帘栅和阳极电压不变,调节栅极负偏压电位器,使Ugl变化1V时,测量阳流的变化值为Ala,比如为8.2mA,那么这只功率管的跨导就是S=△Ia/△Ugl=8.2mA/V.以准确测得各胆的S为依据,计算出阴极电阻Rx的补偿值,就能调出十分对称的推挽电路.得到 圆满的音质.产品胆机在车间生产是无法作这样的精密调试的,只有发烧友的精心摩机,才能使胆机的优良品质锦上添花。
前置放大的调整见图5.第一级即电压放大级,要求处于纯A类放大状态,无论是普通放大电路或者是SRPP电路,本级的屏流都要求大于2毫安,否则直接影响整机的音色和质感.某些产品设计该级的电流在1毫安以下,令人不知所以然,摩机时必须纠正过来。#p#分页标题#e#
倒相级的输入电子管的栅负压必须有—6.5~—10V,这是一个关键数据,直接影响整机的最大输出功率.不少产品咀机是达不到这个电压幅度的。由于本级与前一级是直流辋合,调整的难度颇大,因为要同时满足3个条件: Il>2mA, I2a=I2b>3mA, Ug2=—6.5~—10V.而这三个指标互相相牵制,如果用调电阻韵方法不能兼顾这三个条件,可用更换V2或把B+再提高50V以上来解决。
倒相级另一个调节点是Rp,它关系到推挽输出波形的对称,影响失真和输出功率.调整时从输入插口注入12kHz的标准正弦波,用示波器观察输出变压器初级上下的两个波形,调节Rp,使波形完全对称相筹.如果无信号源和示波器,就要确定V2的两个负载电阻R=1.2R,使上下波形基本对称,其不足靠负反馈功能来纠正完善。
完成以上的精密调整后,胆机就进入优越的技术状态,音质焕然一新.以后每半年进行一次精凋,使你的胆机永远保持良好的运转。





(责任编辑:admin) |
织梦二维码生成器
------分隔线----------------------------