欢迎光临haoDIY - DIY制作从这里开始!

haoDIY创好电子音响电脑科技DIY小制作发明

当前位置: 主页 > 音响DIY > 胆机DIY > 其它综合DIY >
  • 与“胆”有缘——记王英才老教师的电子管情结 [其它综合DIY] 与“胆”有缘——记王英才老教师的电子管情结 日期:2012-08-29 16:57:48 点击:1089 好评:6

    王英才,是我中学母校(武汉钢铁公司第三子弟中学)的一位退休老教师,同时也是一位资深的胆机DIY高手。 说来十分有趣,我和王老师的交往密切并不在当时的母校(因他不是我的代课老师),而恰恰是在他的退休安享晚年之后,维系这一份师生情缘的纽带是来自于...

  • 麦景图输出牛 变压器的秘密 [其它综合DIY] 麦景图输出牛 变压器的秘密 日期:2012-08-29 16:48:48 点击:2423 好评:8

    1949年弗兰克H麦景图和柯丹J高在纽约附近一小城镇创立了Mclntosh麦景图公司。至今已有50年历史的麦景图依然充满活力,不断推出高品味的新产品,成为世界上一流的音响公司。 很多音响发烧友都知道麦景图的大名,也没有发烧友不知道神秘的麦景图的输出变压器,...

  • 搭棚如何提高胆机信噪比 [其它综合DIY] 搭棚如何提高胆机信噪比 日期:2012-08-29 16:40:50 点击:1031 好评:0

    因为搭棚式烧焊制作,均要靠手工及高明的技术来保障,故此,比起印刷电路板来,它们的制作速度慢好多倍,成本及价钱节节增高也就随之而来,也是意料当中的结果。 技术高明的搭棚式烧焊,是靓声的灯交流真空管收音机,几乎无一例外的采用搭棚式烧焊技术来制作...

  • 浅谈搭棚式焊接的好处 [其它综合DIY] 浅谈搭棚式焊接的好处 日期:2012-08-29 16:17:00 点击:888 好评:4

    眼下,不少的电子管放大器都号称其采用了搭棚式焊接技术工艺,特别是一些高价位胆机,几乎都在使用这一既费时又费力的做法而舍去普遍应用的印刷线路板。这么做的好处主要是为了进一步提重放音的音质,使电路之间的走线更加趋于合理。实践证明搭棚式焊接确实...

  • 延长电子管寿命三大方法 [其它综合DIY] 延长电子管寿命三大方法 日期:2012-08-29 16:16:26 点击:242 好评:2

    一般名厂的功率管如we300b、geckt88、rca2a3及tung?sol6550等价钱都十分昂贵,而且除了we300b外,其他的都已停产达20年以上,日趋罕有,正确使用这些管子以延长其寿命实在甚为必要。一只管子的工作期限与其工作环境如电路设计、电压供应及通风散热等有直接关...

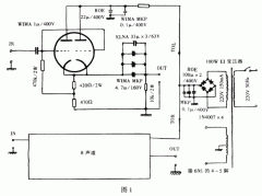
  • 焊装电子管放大器胆机经验谈 [其它综合DIY] 焊装电子管放大器胆机经验谈 日期:2012-08-29 16:08:30 点击:434 好评:0

    选配的DIY胆机图与文章内容无关,纯属出于图文并茂的原因。 D 用胆管组装的放大器,总谐波失真(THD)比晶体管放大器要大,但晶体管的失真多是引起尖利刺耳感的奇次谐波,而电子管所产生的失真多是偶次谐波,这种失真的听感却比较顺滑,因此相对于晶体管机胆...

  • 电子管特性及其应用——提高信噪比的措施 [其它综合DIY] 电子管特性及其应用——提高信噪比的措施 日期:2012-08-29 12:58:06 点击:267 好评:0

    声频由于元器件的质量和外部影响,会出现噪声,降低信噪比。噪声可分:1.规则噪声,如交流声;2.连续的不规则噪声,如热噪声、散粒噪声;3.间歇噪声或瞬时噪声,这类断续或间歇的噪声大多是外来噪声,由邻近或共用同一电源线的工业设备及家电在间歇工作时产生...

  • 电子管特性及其应用——整流管互换指南 [其它综合DIY] 电子管特性及其应用——整流管互换指南 日期:2012-08-29 12:57:12 点击:852 好评:0

    音响设备中使用的电源整流电子管,大多是高真空全波整流管。同规格的旁热式整流管在最大电流输出时的管压降要比直热式整流管为小,不过直热式整流管比旁热式整流管的耐过载冲击能力要强许多。 5AR4 GT型(33mm)8脚高真空旁热式全波整流管 等效管GZ34;类似管...

  • 话说胆管6N1电子管 [其它综合DIY] 话说胆管6N1电子管 日期:2012-08-29 10:39:50 点击:767 好评:0

    胆石之争日久,一会将胆机吹上了天,一时间又遭贬,笔者对之,冷眼旁观。为求感性认识,也利用手中的数十枚胆管进行了不少胆机放大的实践,同时聆听了不少胆机音乐欣赏会。 和众多胆管迷一样,制作了SRPP、马兰士7等线路和各式单管与推挽功率放大器,几年下...

  • 换胆必知 关于古董电子管的那点儿事,各个品牌电子管历史特点 [其它综合DIY] 换胆必知 关于古董电子管的那点儿事,各个品牌电子管历史特点 日期:2012-08-29 10:30:52 点击:1423 好评:2

    最近我在为德律风根OPUS8收音机购买备用电子管过程中,收集了一些NOS管(即新的库存管)的资料,文中的论点都是网上的评论,仅供对NOS管感兴趣的朋友参考。 Amperex -安普雷斯1936年开始制造真空管的美国公司,1955年被Philips收购。安普雷斯ECC83分为长屏D...

栏目列表
推荐内容
织梦二维码生成器
广告位API接口通信错误,查看德得广告获取帮助
广告位API接口通信错误,查看德得广告获取帮助