欢迎光临haoDIY - DIY制作从这里开始!

haoDIY创好电子音响电脑科技DIY小制作发明

当前位置: 主页 > 音响DIY > 胆机DIY > 其它综合DIY >
  • 因地制宜DIY简易12a5电子管管座 [其它综合DIY] 因地制宜DIY简易12a5电子管管座 日期:2012-10-26 14:45:59 点击:331 好评:2

    去年7月份,我的一个同事在网上掏了四只12A5的管子,拿到手后苦于找不到管座。交谈中同事不无苦恼。两支烟后,我一冲动提议同事原价转让给我。此提议正中同事的下怀...... 我得到管子后,也四处寻找,结果一直未能如愿。 多次思考后,决定自己DIY简易的管座...

  • 通吃的乐趣2——胆机电容转换座新用 [其它综合DIY] 通吃的乐趣2——胆机电容转换座新用 日期:2012-10-26 14:44:39 点击:406 好评:2

    不用为电容夹圈烦恼,也不用为更换电容打开机壳伤神。利用转换座,轻松更换滤波电容,体会不同音色之妙~ 古董摩罗利就有这种插装的品种 电解如果不是长寿系列,不是高温系列,在胆机中很容易老化。用这个方法,即可散热,又方便安装更换。还方便玩不同的电容...

  • 胆机电子管 直热管交流点灯的噪声分析 [其它综合DIY] 胆机电子管 直热管交流点灯的噪声分析 日期:2012-10-21 12:51:37 点击:2141 好评:-2

    最近想开始玩玩直热管子,因为手头有几个 307A ,直热 5 极功率管。看到这里和隔壁不少人玩 300B , 2A3 和 FD422 。大家都在谈交流点灯和直流点灯的交流声问题。 感到一些说法是错的,至少是不严格的。 所以我也仔细想了想。有些心得,写出来和大家分享。有...

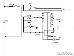
  • 胆机噪音:交流灯丝接地电路的作用及原理 [其它综合DIY] 胆机噪音:交流灯丝接地电路的作用及原理 日期:2012-10-21 12:06:26 点击:2252 好评:-2

    胆机交流灯丝接地电路的作用及原理 胆机交流灯丝接地的作用是:抑制交流感应噪声。 灯丝交流供电会感应交流噪声,抑制其交流感应噪声的方法就是将灯丝接地,通常有两种;一是电位器的平衡接地(图1),二是灯丝中心抽头接地(图2)。 图1,电流从A点通过灯丝...

  • <b>胆机噪音:变压器与电子管的摆位</b> [其它综合DIY] 胆机噪音:变压器与电子管的摆位 日期:2012-10-20 18:53:14 点击:2369 好评:20

    在我们制作胆机时若不重视变压器与电子管的摆位关系,等你开声后干扰哼声不断那已为时以晚,因此在布局设计时尽量让信号管、放大管远离电感、电源变压器、输出变压器,注重电感、电源变压器、输出变压器安装方式与信号管、放大管位置的关系。 如图所示: 图1...

  • 通俗介绍变压器铁芯与硅钢片 [其它综合DIY] 通俗介绍变压器铁芯与硅钢片 日期:2012-10-19 17:04:58 点击:1138 好评:2

    胆机离不开硅钢片,但硅钢片手册各版本标号繁杂混乱,也没有常见常温物理特征,我想就我的经验给大家介绍一下常用硅钢片的业余区别和使用范围。 硅钢片标号从早期的热轧D42等等到现在的35w300等等最少修改过2个版本国标,最新的举例35w-300的意思是片厚0.35m...

  • 电子管管座松动的修复方法 [其它综合DIY] 电子管管座松动的修复方法 日期:2012-10-19 16:15:04 点击:1457 好评:2

    管基略有松动时可以用适当厚度的洋干漆(用虫胶片加酒精泡制)或其它快干油漆滴在管基边口,略微旋动管壳使它渗进管基内部,然后用酒精或香焦水揩去外边残漆,待它自然干燥或烘干以后就可使用。 有的朋友直接用环氧树脂来粘接管基,因为环氧树脂强度很高,使...

  • 电击法修复老化电子管 [其它综合DIY] 电击法修复老化电子管 日期:2012-10-19 16:04:41 点击:758 好评:4

    本人今天用电击法修复了2只老化的807,效果特好与新品没有太大区别,原理是随着时间的延长阴极发射电子的能力逐渐减弱直到瓶级电流为0,阴极的电子全部被栅极吸收我们加上反压使栅极的电子从新回到阴极使之恢复阴极发射电子的能力,具体操作方法奉上:取一个...

  • <b>DIY电子管测试仪(参赛)</b> [其它综合DIY] DIY电子管测试仪(参赛) 日期:2012-10-19 15:57:28 点击:2010 好评:10

    DIY电子管测试仪,点击图片可以看的清楚些。 测试仪.jpg (106.94 KB) 下载次数:486 2008-6-2 11:22 设计思路: 利用独立的各极波段开关选择可以测量大部分胆管,模拟实际工作状态,调节屏极电压和栅极电压测试胆管的最佳工作点,输入音频信号还可以播放,可...

  • 初做 6dj8(6n11)胆耳放 [其它综合DIY] 初做 6dj8(6n11)胆耳放 日期:2012-10-19 12:30:51 点击:1173 好评:2

    前些天看到本坛网友做的耳放不错。于是自己也参照这个做一个。 原帖是:http://bbs.hifidiy.net/viewthrea ... FA%B7%C5page=1 下载 (41.59 KB) 2012-5-24 14:34 这个图中的阴极旁路电容为什么要用这么大 根据这个图,今天设计好了PCB板。电源部分用6Z4整流...

栏目列表
推荐内容
织梦二维码生成器
广告位API接口通信错误,查看德得广告获取帮助
广告位API接口通信错误,查看德得广告获取帮助