|
投影仪的VGA延长线坏了,一直没空去买新的。正好家里有几个以前DIY剩下VGA头,还有几根空闲的网线,于是萌生了自己用网线制作VGA延长线的念头。

准备工作:
材料:
VGA转接头一对(针对你的设备购买相应的公头或母头)
网线一根(五类线)
工具:
烙铁
剪刀
剥线钳
万事俱备,马上开工。
首先剥开一段网线外皮,约3厘米左右,露出8根颜色各异的细小电线。

然后使用剥线钳将每根细线的绝缘皮剥除一厘米左右。如果没有剥线钳,牙齿也行滴,嘿嘿。
同样的方法处理好网线的另一端。

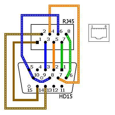
接下来就是焊接了,对照下面的连接图将网线和VGA头焊接好。如果需要将延长线穿墙使用的话,可以先穿好,再焊接VGA头。

附VGA各针脚定义:
15针VGA各针脚的定义:
1PIN — 模拟信号的”红”
2PIN — 模拟信号的”绿”
3PIN — 模拟信号的”蓝”
4PIN — 地址码
5PIN — N/C
6PIN — 模拟 “红”的接地端
7PIN — 模拟 “绿”的接地端
8PIN — 模拟 “蓝”的接地端
9PIN — 备用
10PIN — 数字接地端
11PIN — 地址码
12PIN — 地址码
13PIN — 行场信号
14PIN — 垂直行场信号
15PIN — 接地端(屏蔽层)


焊接好以后,将接头的盖子合上。

让我们来测试一下吧!
先接显示器,ok!

再接投影仪,ok!

价廉物美的VGA转接线制作完成咯,收工!

(责任编辑:admin) |