|
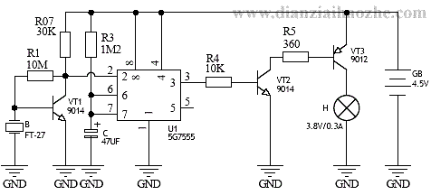
这个声控小灯用于控制4.5V直流供电的小灯泡,可用作学生实验也可用作声控夜光小灯。电路主要由5G555时基集成电路和一些分立元件组成,如下图所示:
工作原理 当在有效距离范围内拍一下手掌时,突发的声波被压电陶瓷片B接收,并转换成微弱的电信号,该信号的正半周经VT1放大后,从其集电极输出负脉冲,时基集成电路IC的2脚获得瞬间低于1/3VDD=1.5V 的低电平触发信号,使IC组成的单稳态电路受触发进入暂稳态(即延时状态),IC的3脚输出高电平,VT2获得适合的偏流而导通,VT3进入完全饱和导通状态,小电珠通电发出亮光,随着IC的3脚变成高电平,IC内部导通的三极管截止,解除对电容器C的短路,电池GB通过电阻R3向电容器C开始充电,当C两端的充电电压(即IC的高电位触发端6脚电位)达到2/3VDD=3V时,单稳态电路翻转恢复稳态,IC内部三极管重新导通,C通过IC的7,1脚放电并被再次短路,IC的3脚重新输出低电平,导通到VT2,VT3失去偏流而截止,H断电自动熄灭。 电路中,小电珠H每次延时点亮的时间长短,取决于单稳态电路中电阻器R3,电容器C的时间常数,具体可以通过公式:T=1.1R3C来估算。按图选择R3和C的值,H延时点亮的时间约为 1min。在晶体三极管VT1电流放大系数β,R1电阻值确定的情况下,通过改变R2的电阻值,可调整静态时IC的2脚电位高低,也就是说,通过适当调整 R2的电阻值,可以控制声控灵敏度。
元器件选择:
VT1,VT2 均选用9014(集电极允许最大电流ICM=0.1A,集电极最大允许功耗PCM=310mW)或3DG8型硅NPN小功率三极管,要求VT1的电流放大系数β>200,VT2的电流放大系数β>100,VT3选用9012(ICM=-0.5A,PCM=625mW)或3CG23型硅PNP中功率晶体三极管,要求电流放大系数β>50。 如果嫌声控灵敏度不高,可通过适当增大电阻器R2的阻值加以调整;反之,如果嫌声控灵敏度太高,则适当减小R2阻值加以调整。R2阻值一般的选择的范围为10-150K。R2阻值太大,(IC的2脚在静态时就已处于低电平(< 1.5V),单稳态电路便不能正常工作。小电珠H就会常亮不灭。如果嫌1min的延时时间太短,可通过适当增大电阻器R3阻值来加以调整;反之,可通过适当减小R3的阻值来加以调整。例如,当R3阻值分别取560K,1.8M,2.4M,3M和3.6M 时,所对应的延时时间依次为30S,1.5min,2min,2.5min和3.1分钟。 该延时小夜灯由于采用了谐振频率较高(约 4K左右)的压电陶瓷片B作为声波传感器,所以对猝发的击掌声,硬物相碰撞声反应灵敏,而对于人们的讲话声以及环境其他低频率的嘈杂声,却反应不灵敏。这就是说,电路具有比较好的防误触发性能。当然,将电路声控灵敏度调得比较高时,防误触发能力就会相应降低。这一点在调试声控灵敏度时,要掌握并统筹兼顾好。 由于整个电路平时静态耗电很小,实测静态总电流小于130μA,故电路末设置电源开关。 (责任编辑:admin) |

















