|
英文名:Seven Segment Display 七段数码管为常用显示数字的电子元件。因为借由七个发光二极管以不同组合来显示数字,所以称为七段数码管,而七划旁的点为它的“第八划”。 一般的七段数码管拥有八个发光二极管用以显示十进制0至9的数字,也可以显示英文字母,包括十六进制和二十进制中的英文A至F(b,d,i为小写,其他为大写)。现时大部份的七段数码管会以斜体显示。 ![]()
7段LED数码管实物图
![]() 七段数码管各划的排序 ![]() 七段LED数码管引脚图
七段数码管分为共阳极及共阴极,共阳极的七段数码管的正极(或阳极)为八个发光二极管的共有正极,其他接点为独立发光二极管的负极(或阴极),使用者只需把正极接电,不同的负极接地就能控制七段数码管显示不同的数字。共阴极的七段数码管与共阳极的只是接驳方法相反而已。
![]() 共阴、共阳LED数码管内部结构图
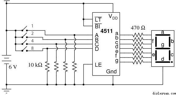
共阳极与共阴极的七段数码管已可以特定的集成电路控制,只要向集成电路输入4-bit的二进制数字讯号就能控制七段数码管显示。
![]() 七段LED数码管能够显示10,16,20进位的数字
7段LED数码管应用电路
通过闭合开关可以显示对应的数字。例如。闭合1和4,则显示5,闭合4和2则显示6。开关1对应A端,开关1对应B端,开关1对应C端,开关1对应D端,合并开关显示数字见下表。 ![]() 7段LED数码管应用电路 ![]() 表:合并开关对应显示的数字 |






















