|
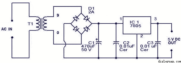
英文名:7805 Voltage Regulator IC 7805为3端正稳压电路,TO-220 封装,能提供多种固定的输出电压,应用范围广。内含过流、过热和过载保护电路。带散热片时,输出电流可达1A。虽然是固定稳压电路,但使用外接元件,可获得不同的电压和电流。 78L05和78M05的区别? 三端稳压集成电路,L和M表示最大输出电流不同: 如78M05或79L05,用来区别输出电流和封装形式等, 其中78L系列的最大输出电流为100mA, 78M系列最大输出电流为1A,78系列最大输出电流为1.5A。它的封装也有多种。塑料封装的稳压电路具有安装容易、价格低廉等优点,因此用得比较多。
后面的数字05,表示电压范围,如7805,7812,7820
![]() LM7805实物图 ![]() 贴片78M05 ![]() 贴片78L05 ![]() 78L05实物图 ![]() 78L05引脚图 ![]() LM7805、LM78M05管脚图及电路符号 ![]() LM7805典型应用电路 |






















