最好的电子音响科技diy制作网站

haoDIY_音响电子电脑科技DIY小制作发明

当前位置: 主页 > 音响DIY > 音箱DIY > 其它diy >

惠威M50W全面打磨打摩机记(6)

时间:2013-02-11 12:59来源:itbbs.pconline.com.cn 作者:夏雨 点击:
电源打磨完毕,接下来打磨信号板! 首先我对信号的输入部分很是不满意!白白的衰减掉60%之多!实在是不该呀! 一,短路输入串联电阻R24、R25,这样电路的输入阻抗为10K,信号电平=输入电平 同时,也拆去了旁路电容
惠威M50W全面打磨打摩机记



惠威M50W全面打磨打摩机记


电源打磨完毕,接下来打磨信号板!
首先我对信号的输入部分很是不满意!白白的衰减掉60%之多!实在是不该呀!

一,短路输入串联电阻R24、R25,这样电路的输入阻抗为10K,信号电平=输入电平
惠威M50W全面打磨打摩机记
同时,也拆去了旁路电容器C80、C81(容量未知,估计不超过100P)


二,更换元件:
    1,拆掉信号板的电源滤波电容C55、C56,更换为黑金刚KZH220uf/16V电解电容器
    2,拆掉C110、C111、C123、C124,更换为德国威马WIMA MKS2 1uf63V电容器,
惠威M50W全面打磨打摩机记


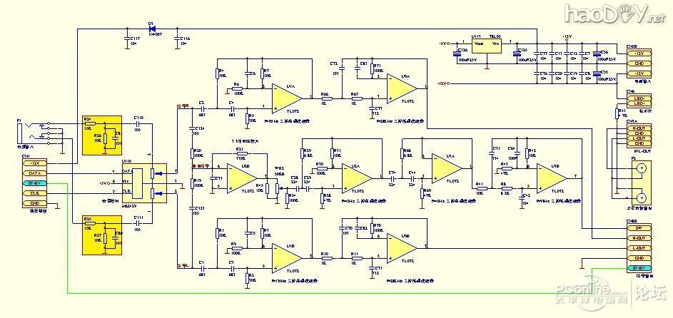
三,增加线控音量的待机控制功能,先看图
惠威M50W全面打磨打摩机记
图中,绿色线就是增加的线路。其实惠威在设计中好像就考虑了这个功能,不过不知道为什么,并没有使用这个功能,使得从线控器-信号板-功放板的接插件上都空出了一个端子,哈哈,既然被我发现了,就再次加上吧! (责任编辑:admin)
织梦二维码生成器
顶一下
(16)
69.6%
踩一下
(7)
30.4%
------分隔线----------------------------
发表评论
请自觉遵守互联网相关的政策法规,严禁发布色情、暴力、反动的言论。
评价:
表情:
用户名: 验证码:点击我更换图片
栏目列表
推荐内容