|
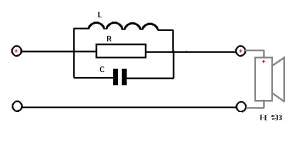
Filter components: L = 0,82 mH air-core inductor 2,00 mm wire, R = 0,15 W (tolerance max 2%) C = 4,7mF MKP polypropylene foil capacitor - Audyn Cap Plus, Mundorf Supreme Cap or Solen Fast Cap (tolerance max 2%) R = 10 W 10 watts metal film resistor (tolerance max 2%) 更多信息请查阅原文资料: http://www.humblehomemadehifi.com/Solo103.html
(责任编辑:admin) |

































